2011 Mitsubishi Outlander Sport Engine Diagram

2011 mitsubishi outlander sport engine diagram
2011 Mitsubishi Outlander Sport SE AWD Verdict - Motor Trend 2011 mitsubishi outlander sport engine diagram
Mitsubishi reveals mid-term plans including redesigned ... 2011 mitsubishi outlander sport engine diagram
Fuse Box Diagram > Mitsubishi Outlander Sport (2011-2019) 2011 mitsubishi outlander sport engine diagram
Image: 2011 Mitsubishi Outlander Sport 2WD 4-door CVT SE ... 2011 mitsubishi outlander sport engine diagram
FUSE BOX Relay LOCATION Mitsubishi Outlander Sport 2011 ... 2011 mitsubishi outlander sport engine diagram
Review: 2011 Mitsubishi Outlander Sport - The Truth About Cars 2011 mitsubishi outlander sport engine diagram
2011 Mitsubishi Outlander Sport - Price, Photos, Reviews ... 2011 mitsubishi outlander sport engine diagram
Fuse Box Diagram > Mitsubishi Outlander Sport (2011-2019) 2011 mitsubishi outlander sport engine diagram
2016 Mitsubishi Outlander Sport Refreshed with
Parts.com® | Mitsubishi SENSOR HEATER AIR INTAK PartNumber ... 2011 mitsubishi outlander sport engine diagram
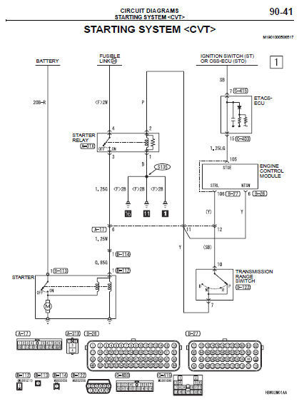
2011 - 2012 MITSUBISHI OUTLANDER SPORT FACTORY SERVICE ... 2011 mitsubishi outlander sport engine diagram
2011 Mitsubishi Outlander Sport 2.0L Engine Motor 4 ... 2011 mitsubishi outlander sport engine diagram
Lower Engine Cover For 2011-2018 Mitsubishi Outlander ... 2011 mitsubishi outlander sport engine diagram
Parts.com® | Mitsubishi SHROUD COOLING FAN PartNumber 1355A140 2011 mitsubishi outlander sport engine diagram
Replace a Fuse: 2011-2019 Mitsubishi Outlander Sport ... 2011 mitsubishi outlander sport engine diagram
Fix Coolant Leaks: 2011-2016 Mitsubishi Outlander Sport ... 2011 mitsubishi outlander sport engine diagram
MITSUBISHI 2011 - 2012 OUTLANDER SPORT ENGINE BRAKE ... 2011 mitsubishi outlander sport engine diagram
Parts.com® | Mitsubishi Outlander Sport Belts - Pulleys ... 2011 mitsubishi outlander sport engine diagram
Le moteur MIVEC (Mitsubishi Innovative Valve timing ... 2011 mitsubishi outlander sport engine diagram
Fuse Box Diagram > Mitsubishi Outlander Sport (2011-2019) 2011 mitsubishi outlander sport engine diagram
Parts.com® | Mitsubishi Outlander Sport Belts - Pulleys ... 2011 mitsubishi outlander sport engine diagram
Parts.com® | Genuine-Factory-OEM-2011-Mitsubishi-Outlander ... 2011 mitsubishi outlander sport engine diagram
2011-2019 Mitsubishi Outlander Sport 2.0L Engine Assembly ... 2011 mitsubishi outlander sport engine diagram
Fuse Box Diagram > Mitsubishi Outlander Sport (2011-2019) 2011 mitsubishi outlander sport engine diagram
2014 Mitsubishi Outlander | Autoblog 2011 mitsubishi outlander sport engine diagram
2003 Mitsubishi Outlander Engine Diagram | Automotive ... 2011 mitsubishi outlander sport engine diagram
2004 Mitsubishi Outlander – Mitsubishi outlander 2004 ... 2011 mitsubishi outlander sport engine diagram
Fuse Box Diagram > Mitsubishi Outlander Sport (2011-2019) 2011 mitsubishi outlander sport engine diagram
[2012 Mitsubishi Outlander Manual Transmission Schematic ... 2011 mitsubishi outlander sport engine diagram
Fuse Box Diagram > Mitsubishi Outlander Sport (2011-2019) 2011 mitsubishi outlander sport engine diagram
Fuse Box Diagram > Mitsubishi Outlander Sport (2011-2019) 2011 mitsubishi outlander sport engine diagram
[2012 Mitsubishi Outlander Manual Transmission Schematic ... 2011 mitsubishi outlander sport engine diagram
Fuse Box Diagram > Mitsubishi Outlander Sport (2011-2019) 2011 mitsubishi outlander sport engine diagram
MITSUBISHI 2011 2012 OUTLANDER SPORT OEM SERVICE REPAIR ... 2011 mitsubishi outlander sport engine diagram
[2012 Mitsubishi Outlander Manual Transmission Schematic ... 2011 mitsubishi outlander sport engine diagram

2011 Mitsubishi Outlander Sport Engine Diagram


Please create a FREE ACCOUNT to continue reading or download !

Start Your FREE Month!!