Wiring Diagram Ih 350 Utility

wiring diagram ih 350 utility
1957 International 350 Utility | International-Farmall ... wiring diagram ih 350 utility
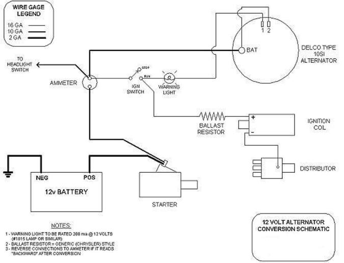
Converting 6 volt to 12 volt on Cletrac HG Or Oc3 ... wiring diagram ih 350 utility
Where can I find a Wiring Schematic for a BJ40 Diesel ... wiring diagram ih 350 utility
Rusty Bucks Ranch - Farmall - IHC International Harvester ... wiring diagram ih 350 utility
How to Determine if your Tractor has Spark - YouTube wiring diagram ih 350 utility
International Harvester Farmall Tractor Engine Clutch ... wiring diagram ih 350 utility
6 Volt to 12 Volt Conversion on 4 cyl IHC Tractor w/engine ... wiring diagram ih 350 utility
Farmall Parts - International Harvester Farmall Tractor ... wiring diagram ih 350 utility
2840 hydraulic problem - John Deere Forum - Yesterday's ... wiring diagram ih 350 utility
How to Bleed Kubota Fuel Injector Lines - YouTube wiring diagram ih 350 utility
Bleeding Modern Diesel, Isuzu Sitec Engine Woes. - YouTube wiring diagram ih 350 utility

Wiring Diagram Ih 350 Utility


Please create a FREE ACCOUNT to continue reading or download !

Start Your FREE Month!!