Free Subaru Wiring Diagrams

free subaru wiring diagrams
Xcceleration free subaru wiring diagrams
Xcceleration free subaru wiring diagrams
Acura TLX specifications - Wiring Diagrams free subaru wiring diagrams
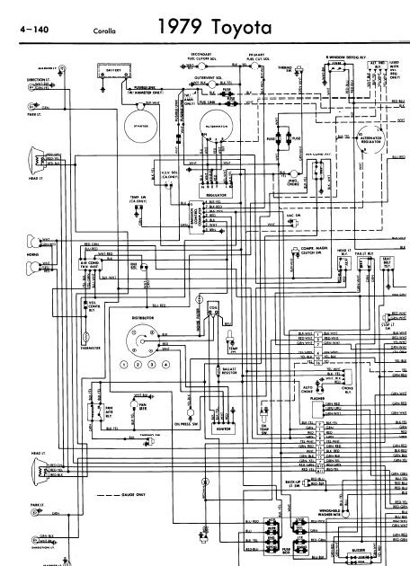
repair-manuals: Toyota Corolla 1979 Wiring Diagrams free subaru wiring diagrams
repair-manuals: Mercedes-Benz 220SE 1961-65 Wiring Diagrams free subaru wiring diagrams
Viper Car Alarm Installation Video, with remote lock and ... free subaru wiring diagrams
Xcceleration free subaru wiring diagrams
2017 Toyota hiace interior fuse box locations and fuse ... free subaru wiring diagrams
repair-manuals: All Models 1978 Seat Belt Warning Wiring ... free subaru wiring diagrams
69 Mitsubishi PDF Manuals Download for Free! - Сar PDF ... free subaru wiring diagrams
repair-manuals: Toyota Land Cruiser 1965-67 Wiring Diagrams free subaru wiring diagrams
CAR POWER MIRRORS - How To Troubleshoot Easy DIY - YouTube free subaru wiring diagrams
What is a bypass module and how do I wire it up? - YouTube free subaru wiring diagrams
How to repair engine error failure code P0301 Toyota ... free subaru wiring diagrams
1970 chevelle frame measurements. - Chevelle Tech free subaru wiring diagrams
repair-manuals: 1980-1982 Toyota Corolla Electrical Wiring ... free subaru wiring diagrams
Mike's 94 Supra Turbo free subaru wiring diagrams
Chrysler Sebring Starter - YouTube free subaru wiring diagrams
Aliexpress.com : Buy ELECTRIC START KIT FOR HONDA GX340 ... free subaru wiring diagrams
John Deere 318 garden tractor - The Bird free subaru wiring diagrams

Free Subaru Wiring Diagrams


Please create a FREE ACCOUNT to continue reading or download !

Start Your FREE Month!!