Sears 10 Table Saw Wiring Diagram

sears 10 table saw wiring diagram
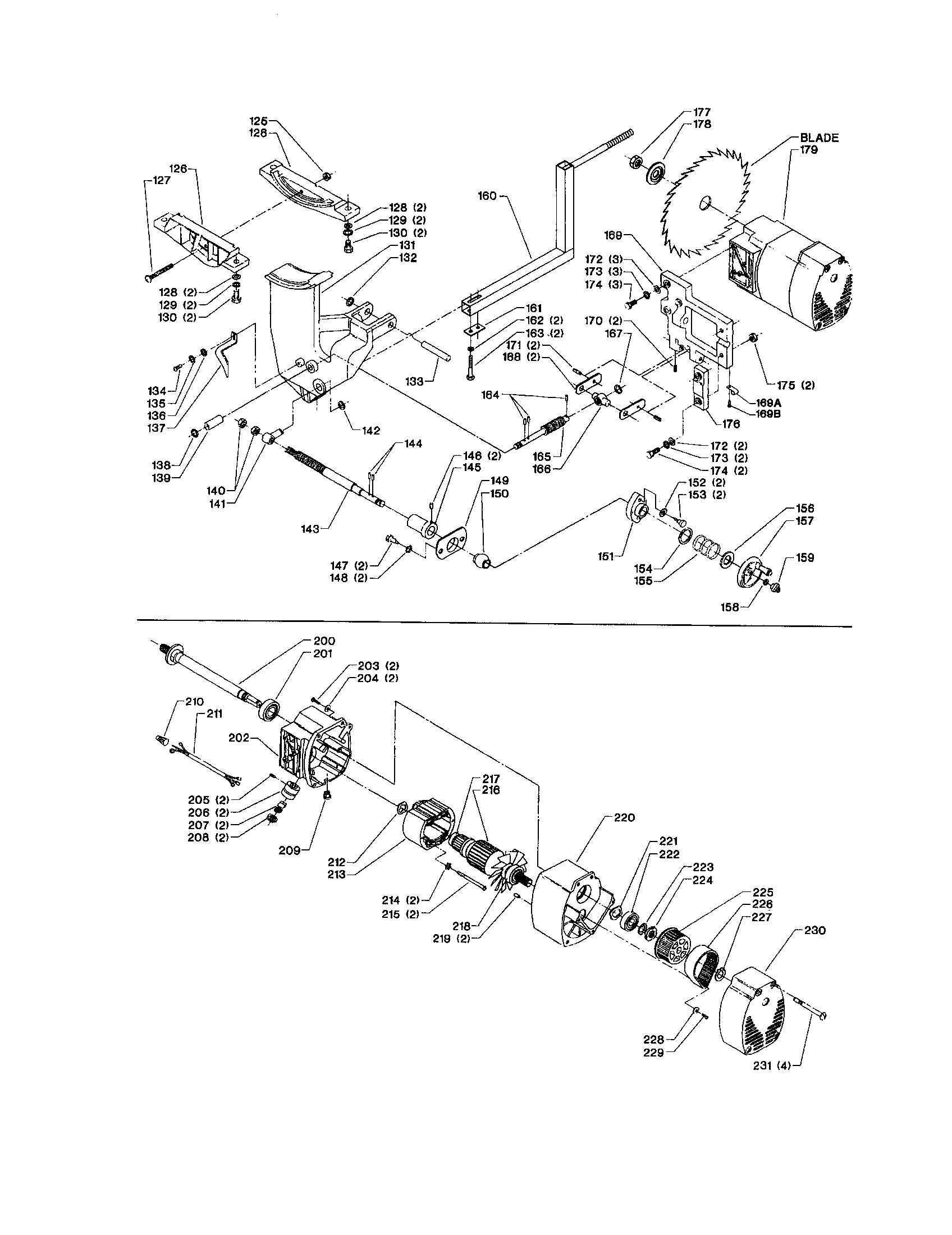
DELTA TABLE SAW Parts | Model TS220LS | Sears PartsDirect sears 10 table saw wiring diagram
Sears Craftsman 113.29950 12 Inch Table Saw Op & Parts ... sears 10 table saw wiring diagram
Looking for Craftsman model 315284610 table saw repair ... sears 10 table saw wiring diagram
CRAFTSMAN 10
GPW 42D - Router Switch Replacement (Bosch 1617EVS) - YouTube sears 10 table saw wiring diagram
How To Fix Ryobi 10
Craftsman 315220381 radial arm saw parts | Sears Parts Direct sears 10 table saw wiring diagram
Power tool storage, hand drill pump reviews, makita table ... sears 10 table saw wiring diagram
EMERSON ELECTRIC MOTOR Parts | Model 823662 | Sears ... sears 10 table saw wiring diagram
Delta model 36-600 table saw genuine parts sears 10 table saw wiring diagram
Craftsman Model 113 Table Saw Motor | Brokeasshome.com sears 10 table saw wiring diagram
delta series 6201 switch schematic - PngLine sears 10 table saw wiring diagram
Craftsman model 315220381 saw radial genuine parts sears 10 table saw wiring diagram
CRAFTSMAN 10
CRAFTSMAN 10
Craftsman 10
CRAFTSMAN CRAFTSMAN 1 H.P. CAPACITOR START A.C. MOTOR ... sears 10 table saw wiring diagram
MTD Lowe's Mdl 130-659G062/95188 Parts Diagram for Electrical sears 10 table saw wiring diagram
wiring lathe and VFD sears 10 table saw wiring diagram

Sears 10 Table Saw Wiring Diagram


Please create a FREE ACCOUNT to continue reading or download !

Start Your FREE Month!!