Lifan 125 Wiring Schematic

lifan 125 wiring schematic
Ducati CDI Farbe - Technik allgemein - GSF - Das Vespa ... lifan 125 wiring schematic
Elektrika BOATIANA lifan 125 wiring schematic
Honda CR125R 1997 (V) USA parts lists and schematics lifan 125 wiring schematic
Schema Electrique Dax Skyteam lifan 125 wiring schematic
TBolt USA Tech Database - TBolt USA, LLC lifan 125 wiring schematic
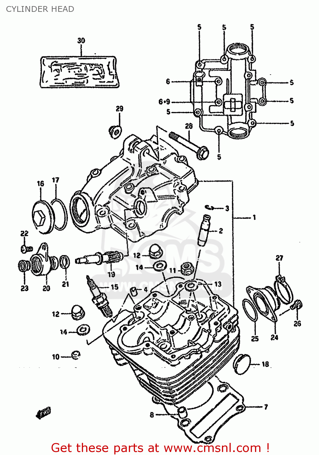
Suzuki GN125 1982 (Z) (E01 E02 E04 E18 E30) CYLINDER HEAD ... lifan 125 wiring schematic
Montage des instruments - Louis - Motos et loisirs lifan 125 wiring schematic
2019 Start Starter Motor 50cc 70cc 90cc 110cc 125cc ATV ... lifan 125 wiring schematic
Diagrama de encendido - Da Dalt DS 110 Raf - YouTube lifan 125 wiring schematic
24v36v48v250w350w BLDC motor controllersensor/sensorless ... lifan 125 wiring schematic
Honda ZN110Y NICE parts lists and schematics lifan 125 wiring schematic
How to: Idle mixture screw adjustment - The Junk Man's ... lifan 125 wiring schematic
Honda Trx300 Fourtrax 300 1988 (j) Usa Wire Harness ... lifan 125 wiring schematic
Single phase voltage regulator (full wave) | Techy at day ... lifan 125 wiring schematic
Tomos Wiring Diagrams « Myrons Mopeds lifan 125 wiring schematic
How to tune a carburetor in a GY6 chinese scooter 150 or ... lifan 125 wiring schematic
how to adjust valves on honda gx, or chinese replicas ... lifan 125 wiring schematic
basics of carburetor - Nirav56ME lifan 125 wiring schematic

Lifan 125 Wiring Schematic


Please create a FREE ACCOUNT to continue reading or download !

Start Your FREE Month!!