John Deere Alternator Wiring Diagram Manuals Omview

john deere alternator wiring diagram manuals omview
OMWZW13326 john deere alternator wiring diagram manuals omview
OMAL201481: E Premium Tractors 7430, 7530, Block File ... john deere alternator wiring diagram manuals omview
OMRG37505 john deere alternator wiring diagram manuals omview
OMAR287587: Tractores 8130, 8230, 8330, 8430 y 8530 ... john deere alternator wiring diagram manuals omview
OMRG33324 john deere alternator wiring diagram manuals omview
OMAL162071: 6120, 6120L, 6220, 6220L, 6320, 6320L, 6420 ... john deere alternator wiring diagram manuals omview
OMAR283054: 9430T, 9530T and 9630T Tractors, Block File ... john deere alternator wiring diagram manuals omview
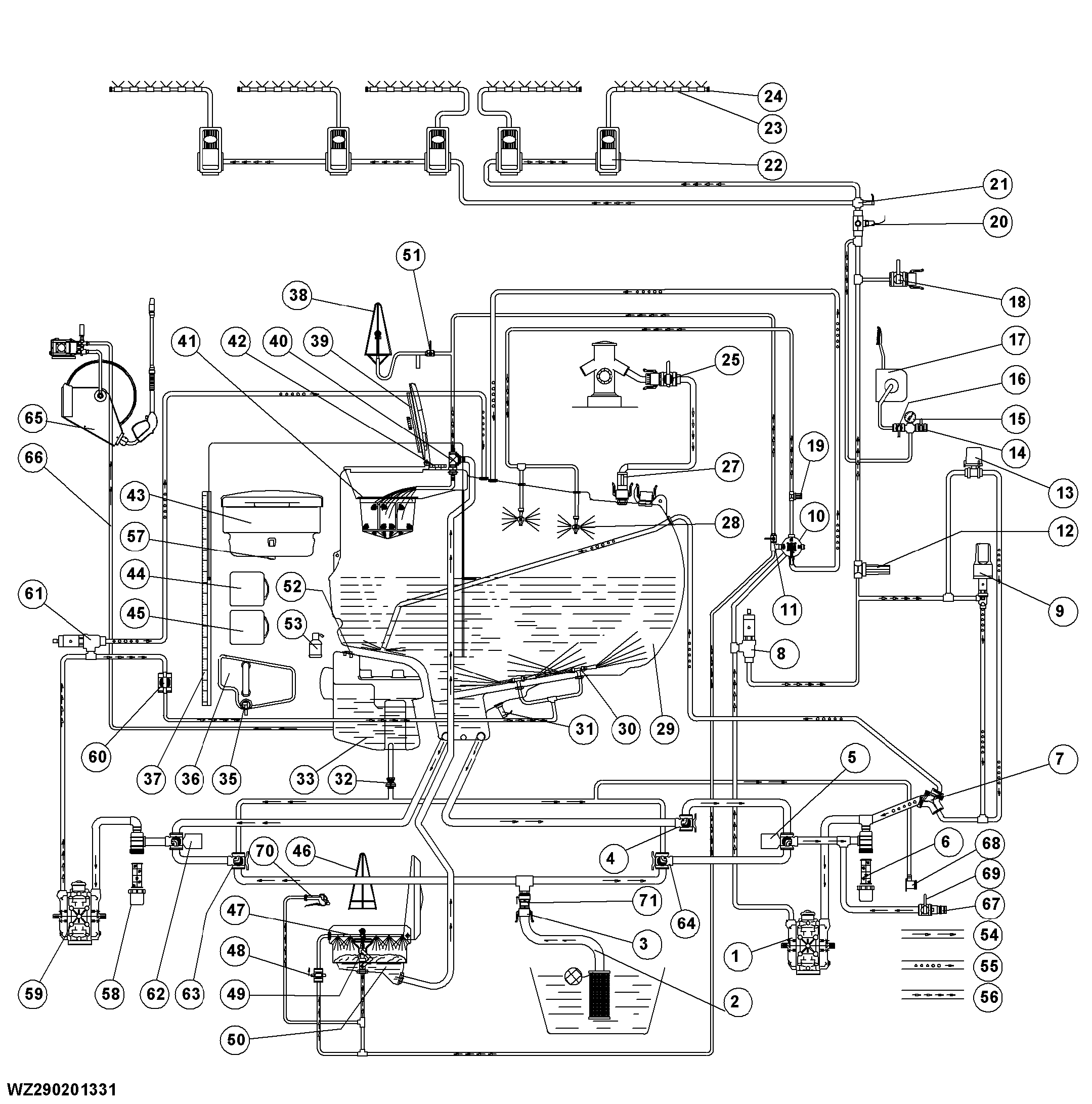
OMWZ82401: 824, 832 and 840 Trailed Crop Sprayers with EL ... john deere alternator wiring diagram manuals omview
OMAR224650: 7220, 7320, 7420 and 7520 Tractors, Block File ... john deere alternator wiring diagram manuals omview

John Deere Alternator Wiring Diagram Manuals Omview


Please create a FREE ACCOUNT to continue reading or download !

Start Your FREE Month!!