Coachmen Battery Wiring Diagram

coachmen battery wiring diagram
How to Maintain RV Batteries - RVshare.com coachmen battery wiring diagram
Installing a New Auxiliary Start Solenoid - YouTube coachmen battery wiring diagram
RV Auxiliary battery switch not getting power? Try this ... coachmen battery wiring diagram
Diagrama kawasaki z1000 coachmen battery wiring diagram
RVcruzer.com - 2009 Allegro RED 36QSA Review coachmen battery wiring diagram
Bo i husbil? | FREEDOMtravel coachmen battery wiring diagram
SCAD SOLO Tank Monitor System - e Marine Systems coachmen battery wiring diagram
E350 Motorhome Stalled out - Ford Truck Enthusiasts Forums coachmen battery wiring diagram
Attesa E-Ts Pro Ecu And Abs Unit Connector Pins Id ... coachmen battery wiring diagram
electrical - How do I connect a dryer with a four prong ... coachmen battery wiring diagram
04 Savoy Holiday Rambler Wiring Diagram 110 Volt coachmen battery wiring diagram
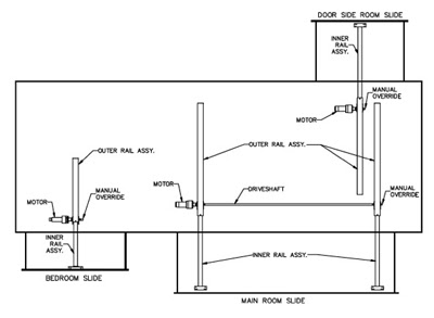
The RV Doctor: Manual Override for RV Slideout Room coachmen battery wiring diagram
The GMC RV | Our GMC Motorhome Renovation coachmen battery wiring diagram
Dave RV Generator Install.wmv - YouTube coachmen battery wiring diagram
RV Refrigerator - Norcold Operation - YouTube coachmen battery wiring diagram
Suburban RV Hot Water Heater Won't Light: Causes And ... coachmen battery wiring diagram
RV problems coachmen battery wiring diagram
Connect Lightweight Travel Trailer Features | K-Z RV coachmen battery wiring diagram

Coachmen Battery Wiring Diagram


Please create a FREE ACCOUNT to continue reading or download !

Start Your FREE Month!!