3 Wire 24 Transducer Wiring Diagram

3 wire 24 transducer wiring diagram
Garmin 010-11613-00 Adapter 8-PIN Female To Wire Block ... 3 wire 24 transducer wiring diagram
Elektrische DC-Serie und Parallelschaltung 3 wire 24 transducer wiring diagram
Open Circuit Detection & Wiring Diagram 1 - YouTube 3 wire 24 transducer wiring diagram
Transducer/Sensor Excitation and Measurement Techniques ... 3 wire 24 transducer wiring diagram
2-Wire 4-20 mA Sensor Transmitters: Background and ... 3 wire 24 transducer wiring diagram
What is the difference between PNP and NPN when describing ... 3 wire 24 transducer wiring diagram
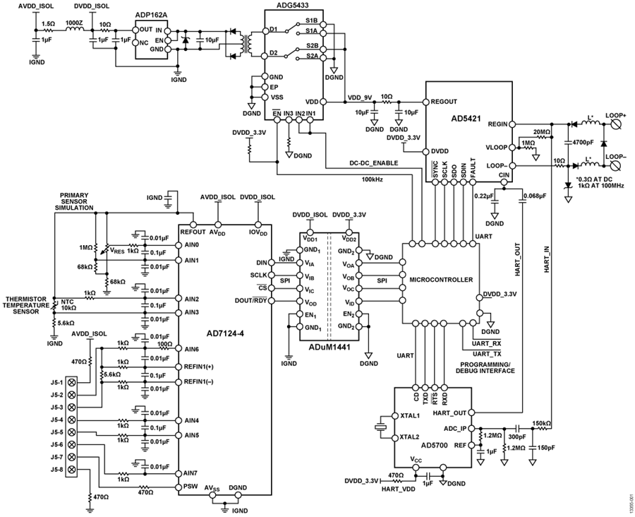
CN0382 実用回路およびリファレンス回路情報 | アナログ・デバイセズ 3 wire 24 transducer wiring diagram
Diesel Pressure Sensor Testing - YouTube 3 wire 24 transducer wiring diagram
CN0382 Circuit Note | Analog Devices 3 wire 24 transducer wiring diagram
MGF 111S MGTF Rover K-Engine cross reference, Sensor 3 wire 24 transducer wiring diagram
Pt100 RTD Temperature Transmitter, pt 100 transmitter ... 3 wire 24 transducer wiring diagram
How do hall sensors control 3 phase DC motors? - Quora 3 wire 24 transducer wiring diagram
[SEAT] [Ibiza 6K2] auto blijft gewoon ronddraaien, maar ... 3 wire 24 transducer wiring diagram
ARINC 429 - Wikipedia 3 wire 24 transducer wiring diagram
How a brushless motor works ( animation) - YouTube 3 wire 24 transducer wiring diagram
MGF Schaltbilder Inhalt / wiring Diagrams of the Rover MGF 3 wire 24 transducer wiring diagram
| Repair Guides | Component Location Views (2005 ... 3 wire 24 transducer wiring diagram
8 function christmas lamp - Electronic Circuits and ... 3 wire 24 transducer wiring diagram
Replace Computer (PCM) in 2002 Dodge Dakota - YouTube 3 wire 24 transducer wiring diagram

3 Wire 24 Transducer Wiring Diagram


Please create a FREE ACCOUNT to continue reading or download !

Start Your FREE Month!!