Lincoln Air Suspension Wiring Diagram 1993

lincoln air suspension wiring diagram 1993
Automotix Online Wiring Diagrams 1997 Ford Explorer ... lincoln air suspension wiring diagram 1993
DIAGRAM OF AIR SUSPENSION SYSTEM ON LINCOLN VIII lincoln air suspension wiring diagram 1993
HowToRepairGuide.com: how to test air suspension on 1993 ... lincoln air suspension wiring diagram 1993
THE LINCOLN MARK VII CLUB • View topic - no power to air ... lincoln air suspension wiring diagram 1993
2003 Lincoln Town Car Air Suspension Wiring Diagram ... lincoln air suspension wiring diagram 1993
HowToRepairGuide.com: how to test air suspension on 1993 ... lincoln air suspension wiring diagram 1993
Where online can I find a simple explanation of the ... lincoln air suspension wiring diagram 1993
1998 Lincoln Signature towncar air suspension schematic ... lincoln air suspension wiring diagram 1993
2003 Lincoln Town Car Air Suspension Wiring Diagram ... lincoln air suspension wiring diagram 1993
My 1999 Lincoln Town Car air suspension is not holding the ... lincoln air suspension wiring diagram 1993
Where online can I find a simple explanation of the ... lincoln air suspension wiring diagram 1993
WHERE IS LOCATION OF THE AIR CONTROL MODULE ON 95 VIII AND ... lincoln air suspension wiring diagram 1993
My 1999 Lincoln Town Car air suspension is not holding the ... lincoln air suspension wiring diagram 1993
Cartier Front Alternator Engine Continental Town Lincoln ... lincoln air suspension wiring diagram 1993
I have a 1998 lincoln 8 the check engine light on check it ... lincoln air suspension wiring diagram 1993
I need a wiring diagram for the air suspension compressor ... lincoln air suspension wiring diagram 1993
2003 Lincoln Town Car Executive Fuse Box Diagram lincoln air suspension wiring diagram 1993
Where is the air ride compressor relay located on a 2003 ... lincoln air suspension wiring diagram 1993
2003 Lincoln Town Car Air Suspension Wiring Diagram ... lincoln air suspension wiring diagram 1993
I have a 96 lincoln continental. The air suspension ... lincoln air suspension wiring diagram 1993
2003 Lincoln Town Car Air Suspension Wiring Diagram ... lincoln air suspension wiring diagram 1993
2004 Lincoln Navigator, Where is the Suspension Control ... lincoln air suspension wiring diagram 1993
2003 Lincoln Town Car Air Suspension Wiring Diagram ... lincoln air suspension wiring diagram 1993
2003 Lincoln Town Car Air Suspension Wiring Diagram ... lincoln air suspension wiring diagram 1993
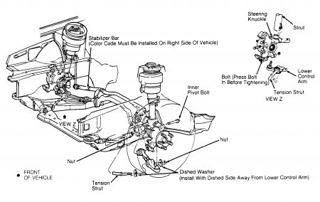
1993 Lincoln Continental Lower Control Arm Bushings: How ... lincoln air suspension wiring diagram 1993
Air Bag Suspension Wiring Diagram | Free Wiring Diagram lincoln air suspension wiring diagram 1993
air ride suspension diagram Questions & Answers (with ... lincoln air suspension wiring diagram 1993
I have a 2003 Lincoln Navigator, and the air suspension is ... lincoln air suspension wiring diagram 1993
Thae air suspention not working i need location of the ... lincoln air suspension wiring diagram 1993
2003 Lincoln Town Car Air Suspension Wiring Diagram ... lincoln air suspension wiring diagram 1993
Air Suspension Explained lincoln air suspension wiring diagram 1993
How do i get the solenoid for the air bags on rear ... lincoln air suspension wiring diagram 1993
1991 Lincoln Town Car Air Ride Suspension: Suspension ... lincoln air suspension wiring diagram 1993
2003 Lincoln Town Car Air Suspension Wiring Diagram ... lincoln air suspension wiring diagram 1993
2003 Lincoln Town Car Air Suspension Wiring Diagram ... lincoln air suspension wiring diagram 1993

Lincoln Air Suspension Wiring Diagram 1993


Please create a FREE ACCOUNT to continue reading or download !

Start Your FREE Month!!