Simple Wiring Diagrams

simple wiring diagrams
Reading A Wiring Diagram For Appliance Repair simple wiring diagrams
Motorcycle Electrics 101 - Re- wiring your Cafe Racer ... simple wiring diagrams
Basic Circuits – electronarrative simple wiring diagrams
Basic Circuits – electronarrative simple wiring diagrams
Simple Home Electrical Wiring Diagrams | Sodzee.com simple wiring diagrams
Stunning Simple House Wiring Diagram Ideas - Images for ... simple wiring diagrams
simple house wiring diagram examples for Android - APK ... simple wiring diagrams
What is the purpose of a wiring diagram in electricity ... simple wiring diagrams
Simple Electrical Wiring Diagrams | Basic Light Switch ... simple wiring diagrams
Electric House Wiring Diagram Also Residential Electrical ... simple wiring diagrams
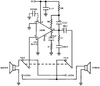
LM390 SIMPLE 2-WAY INTERCOM CIRCUIT SCHEMATIC DIAGRAM ... simple wiring diagrams
simple house wiring diagram examples for Android - APK ... simple wiring diagrams
simple wiring diagram - Pirate4x4.Com : 4x4 and Off-Road Forum simple wiring diagrams
Resources simple wiring diagrams
Let's See Some: Chopped wiring diagrams! simple wiring diagrams
Simplied Shovelhead wiring diagram needed! simple wiring diagrams
How to Construct Wiring Diagrams | Industrial Controls simple wiring diagrams
Skill Builder: Reading Circuit Diagrams | Make: simple wiring diagrams
Ge Lighting Contactor Cr460 Wiring Diagram – Shelly Lighting simple wiring diagrams
Downloadable Manuals simple wiring diagrams
Simple 5 Pin Relay Diagram | DSMtuners simple wiring diagrams
What are stereo wiring diagrams used for? - Quora simple wiring diagrams
Simple Motorcycle Wiring Diagram for Choppers and Cafe ... simple wiring diagrams
Simple Home Electrical Wiring Diagrams | Sodzee.com simple wiring diagrams
simple house wiring diagram examples for Android - APK ... simple wiring diagrams
Wiring diagram - Simple English Wikipedia, the free ... simple wiring diagrams
Conducting Electrical House Wiring: Easy Tips & Layouts ... simple wiring diagrams
Wiring Diagram - Everything You Need to Know About Wiring ... simple wiring diagrams
Basic Home Electrical Wiring Diagrams, File Name : Basic ... simple wiring diagrams
basic household circuit | Electrical | House wiring, Home ... simple wiring diagrams
Best 31 Motorcycle Wiring Diagram images on Pinterest ... simple wiring diagrams
simple wiring diagram for your harley | Motorcycle wiring ... simple wiring diagrams
simple wiring diagram - Pirate4x4.Com : 4x4 and Off-Road Forum simple wiring diagrams
Conducting Electrical House Wiring: Easy Tips & Layouts simple wiring diagrams
Simple Home Electrical Wiring Diagrams | Sodzee.com simple wiring diagrams

Simple Wiring Diagrams


Please create a FREE ACCOUNT to continue reading or download !

Start Your FREE Month!!