Schematic Symbols Chart

schematic symbols chart
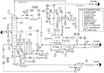
P&ID!! 1 แผนภาพ 100 ความในใจ – TTPS-TTCL Performance ... schematic symbols chart
Electrical Symbols | Rotating Equipment schematic symbols chart
How to Use a Flowmeter When Hydraulic Troubleshooting ... schematic symbols chart
Design elements - Electrical circuits | Electrical Symbols ... schematic symbols chart
Electrical Symbols, Electrical Diagram Symbols schematic symbols chart
Precision 954G Vacuum Tube Checker schematic symbols chart
RCA Victor Model T5-2 5-Tube, 2-Band A.C. Superheterodyne ... schematic symbols chart
Network Diagrams Tool - The easiest way to draw a new ... schematic symbols chart
Engineering symbols. Vector icons of most frequently used ... schematic symbols chart
Figure 6H-10. Lane Closure on Two-Lane Road Using Flaggers ... schematic symbols chart
Circuit Board Tree - Download Free Vector Art, Stock ... schematic symbols chart
Electronics How-To: Relays and Contactor Basics - YouTube schematic symbols chart
RF Microwave Wireless Analog Block Diagrams Stencils ... schematic symbols chart
HyperWar: US Army in WWII: Time Runs Out in CBI schematic symbols chart
Tig Welder Reviews - Inverter Tig Welder Settings - YouTube schematic symbols chart
Rigid Hanger Pipe Support | Binder Group schematic symbols chart
Wastewater Treatment Plant Design DWG Block for AutoCAD ... schematic symbols chart
General Emergency Response Plan for Plant Pest Incursion ... schematic symbols chart
Electrical installation in AutoCAD | Download CAD free (47 ... schematic symbols chart
The Great Gatsby | Characters map schematic symbols chart

Schematic Symbols Chart


Please create a FREE ACCOUNT to continue reading or download !

Start Your FREE Month!!