Mercury Sport Jet 175 Wiring Diagram

mercury sport jet 175 wiring diagram
I have a 2005 tracker pt 185 with a mercury sport jet 175 ... mercury sport jet 175 wiring diagram
HELP!!!!! 1988 MERCURY 150HP WIRING DIAGRAM Page: 1 ... mercury sport jet 175 wiring diagram
76 77 78 KE175 Wiring Diagram – How-To Motorcycle Repair mercury sport jet 175 wiring diagram
Find Mercury 175 175XR Sportjet Sport Jet sugar sand jet ... mercury sport jet 175 wiring diagram
Find Mercury 175 175XR Sportjet Sport Jet sugar sand jet ... mercury sport jet 175 wiring diagram
Mercury Outboard Wiring diagrams -- Mastertech Marin mercury sport jet 175 wiring diagram
95 Hp Mercury Outboard Motor - impremedia.net mercury sport jet 175 wiring diagram
90 mercury sport jet updating all electronics with cdi has ... mercury sport jet 175 wiring diagram
6 sport jet installation mercury sport jet 175 wiring diagram
Cylinder Block & End Caps for Mercury / Mariner (135 / 150 ... mercury sport jet 175 wiring diagram
Mercury Sport Jet 120 Complete Engine Test - Runs Great ... mercury sport jet 175 wiring diagram
JET : SPORT JET 90 | PerfProTech.com mercury sport jet 175 wiring diagram
90hp sport jet has no spark in Tech Questions Forum mercury sport jet 175 wiring diagram
OIL INJECTION PUMP - 1995 SportJet 120 [JETPUMP] H63SP20RD ... mercury sport jet 175 wiring diagram
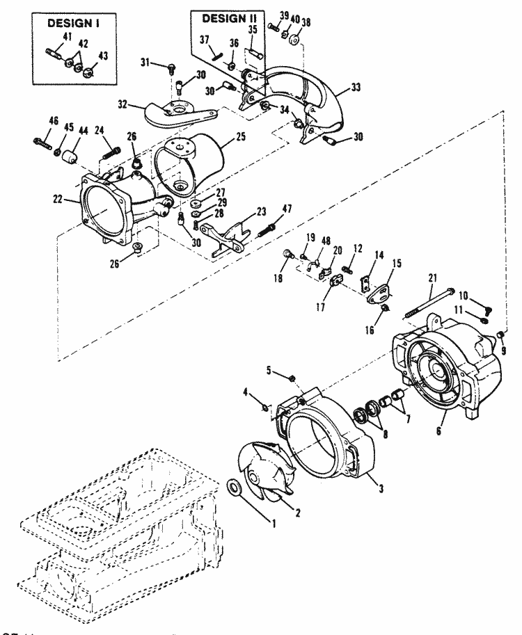
SPORTJET : 175XR2 JET DRIVE (PUMP) : 0E369300 THRU ... mercury sport jet 175 wiring diagram
Nozzle / Rudder Components (Threaded Drive) for Sportjet ... mercury sport jet 175 wiring diagram
Pinion & Impeller Shaft (Splined Drive) for Sportjet ... mercury sport jet 175 wiring diagram
Mercury Outboard Ignition Switch Wiring Diagram — UNTPIKAPPS mercury sport jet 175 wiring diagram
I am installing a new ignition switch on a 92 Bayliner ... mercury sport jet 175 wiring diagram
Mercury Sport Jet 175hp Engine Test : Good Compression ... mercury sport jet 175 wiring diagram
MERCURY 2 STR SERVICE REPAIR MANUAL 135 150 175 200 225 ... mercury sport jet 175 wiring diagram
Mercury Outboard Ignition Switch Wiring Diagram — UNTPIKAPPS mercury sport jet 175 wiring diagram
Oil Injection Components for Mercury / Mariner (135 / 150 ... mercury sport jet 175 wiring diagram
looking for wire diagram for updated cdm conversion for a ... mercury sport jet 175 wiring diagram
MERCURY OUTBOARD POWERHEAD SPORTJET COMPLETE BOLT IN UNIT ... mercury sport jet 175 wiring diagram
IGNITION COMPONENTS - 1995 SportJet 90 [JETPUMP] H62SP205D ... mercury sport jet 175 wiring diagram
I have a 94 sportjet 90 w/no spark. I have installed a ... mercury sport jet 175 wiring diagram
looking for wire diagram for updated cdm conversion for a ... mercury sport jet 175 wiring diagram
Mercury Outboard Wiring diagrams -- Mastertech Marin mercury sport jet 175 wiring diagram
Mercury Jet Drive Parts - SportJet by HP & Model 240 EFI ... mercury sport jet 175 wiring diagram
[EBOOK-9423] Mercury 115 4 Stroke Optimax Service Manual ... mercury sport jet 175 wiring diagram
Mercury 175 Sport Jet - YouTube mercury sport jet 175 wiring diagram
Starting sport jet - YouTube mercury sport jet 175 wiring diagram
Wiring Harness, Starter Solenoid and Rectifier FOR MARINER ... mercury sport jet 175 wiring diagram
We have a 20 hp twin cyclinder with no spark serial number ... mercury sport jet 175 wiring diagram

Mercury Sport Jet 175 Wiring Diagram


Please create a FREE ACCOUNT to continue reading or download !

Start Your FREE Month!!