Kz1300 Wiring Diagram

kz1300 wiring diagram
82 Kz305 Wiring Diagram kz1300 wiring diagram
Kabelboom kawasaki kz 750 - Techniek, vragen en antwoorden ... kz1300 wiring diagram
kawasaki ar 80 Questions & Answers (with Pictures) - Fixya kz1300 wiring diagram
バイクにとっての直列6気筒 Z1300(KZ1000A/B)|系譜の外側 kz1300 wiring diagram
IC Igniter KZ1300 Kawasaki kz1300 wiring diagram
名キット復刻! タミヤから1/6スケールのZ1300&CB750Fエンジンキット発売| バイクブロス・マガジンズ kz1300 wiring diagram
Bare bones wiring diagram - KZRider Forum - KZRider, KZ ... kz1300 wiring diagram
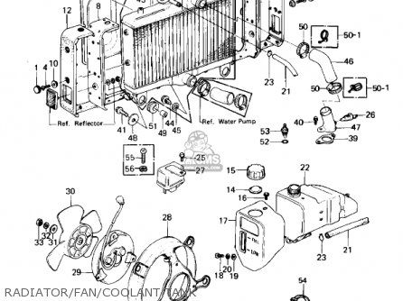
Kawasaki KZ1300A1 1979 USA CANADA parts lists and schematics kz1300 wiring diagram
Kawasaki Z1300 kz1300 wiring diagram
Cut wires, help please. - KZ1300.COMmunity kz1300 wiring diagram
1984 ZN1300 Voyager not starting - KZ1300.COMmunity kz1300 wiring diagram

Kz1300 Wiring Diagram


Please create a FREE ACCOUNT to continue reading or download !

Start Your FREE Month!!