Gaucho Jeep Wiring Diagram

gaucho jeep wiring diagram
PEG PEREGO GAUCHO JEEP WIRING DIAGRAM - Auto Electrical ... gaucho jeep wiring diagram
PEG PEREGO GAUCHO JEEP WIRING DIAGRAM - Auto Electrical ... gaucho jeep wiring diagram
GAUCHO SUPER POWER Part Diagram gaucho jeep wiring diagram
Peg Perego Gaucho Silver Edition Parts gaucho jeep wiring diagram
Gaucho rockin revised IGOD0024 Parts - KidsWheels gaucho jeep wiring diagram
SCHEMI ELETTRICI XJ !!! - Pagina 4 gaucho jeep wiring diagram
24v ride on Hummer Powerwheels - YouTube gaucho jeep wiring diagram
John Deere Gator (old Style) Wire Diagram | Misc. | Peg ... gaucho jeep wiring diagram
17 Best images about jeep wrangler YJ on Pinterest | Jeep ... gaucho jeep wiring diagram
JOHN DEERE GATOR HPX SE Part Diagram gaucho jeep wiring diagram
12v Power Wheels Throttle Switch Alternative + Remote Kill ... gaucho jeep wiring diagram
17 best images about Buzz Lightyear Power Wheels on Pinterest gaucho jeep wiring diagram
Peg Perego John Deere Off Road 4x4 Parts gaucho jeep wiring diagram
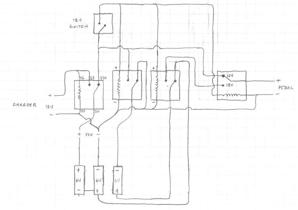
Modified Power Wheels - Charging plus 12 to 18 volt wiring ... gaucho jeep wiring diagram
Modified Power Wheels - Mustang 18V gaucho jeep wiring diagram

Gaucho Jeep Wiring Diagram


Please create a FREE ACCOUNT to continue reading or download !

Start Your FREE Month!!