Wiring Diagram For Steam Iron

wiring diagram for steam iron
Wiring Diagrams for Steam Generator AT and 3T wiring diagram for steam iron
Rowenta DM860 Parts List and Diagram : eReplacementParts.com wiring diagram for steam iron
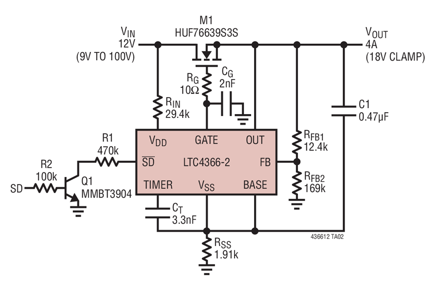
LTC4366 浪涌保护的汽车 12V 电源 Circuit Collection | 亚德诺半导体 wiring diagram for steam iron
Modine shop heater and low pressure steam?? — Heating Help ... wiring diagram for steam iron
Troubleshooting Low Temperature in Boiler - DoItYourself ... wiring diagram for steam iron
File:Phosphor production (de).svg - Wikimedia Commons wiring diagram for steam iron
Choosing a Hot Water Garage Heater wiring diagram for steam iron
How to Install an Indirect Water Heater on a Boiler - YouTube wiring diagram for steam iron
Wiring the circulator pump to an everhot tankless water ... wiring diagram for steam iron
How do stepper motors work? - Explain that Stuff wiring diagram for steam iron
The Closed System | | DIY Radiant Floor Heating | Radiant ... wiring diagram for steam iron
Accurate Home Inspections Parkersburg West Virginia 26101 ... wiring diagram for steam iron
GAS BOILERS – Senergy Mechanical Inc. wiring diagram for steam iron
3241 - Globe Control Valve | SAMSON wiring diagram for steam iron
3241 - Globe Control Valve | SAMSON wiring diagram for steam iron
Honeywell Lyric T6 Review | Trusted Reviews wiring diagram for steam iron
The Open System | | DIY Radiant Floor Heating | Radiant ... wiring diagram for steam iron
Charging and Maintaining Sealed Lead Acid Batteries wiring diagram for steam iron
Airline Information wiring diagram for steam iron
LED Star Constellation Light or night light wiring diagram for steam iron

Wiring Diagram For Steam Iron


Please create a FREE ACCOUNT to continue reading or download !

Start Your FREE Month!!