Coupler Schematic

coupler schematic
Directional Couplers — IPKISS 3.1 documentation coupler schematic
Schematic diagram of the directional coupler ... coupler schematic
Environmental Specifications coupler schematic
Out of phase coupler, (a) Schematic, (b) Simulated S ... coupler schematic
Directional coupler 150MHz. Buy or diy? - Page 1 coupler schematic
The schematic diagram of the directional coupler ... coupler schematic
-20dbcoupler coupler schematic
rf - Reflectometer - directional coupler - Electrical ... coupler schematic
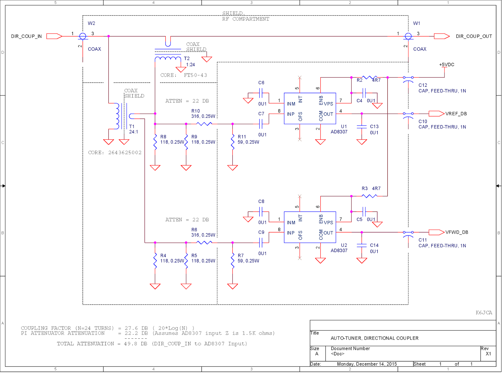
K6JCA: Antenna Auto-Tuner Design, Part 8: Build, Phase 2 ... coupler schematic
Schematic of a directional coupler consisting of two ... coupler schematic
K6JCA: More Notes on Directional Couplers for HF -- the ... coupler schematic
Fig. A.1. Schematic diagrams of the (a) directional ... coupler schematic
Schematic setup. (DC) directional coupler, (A) attenuator ... coupler schematic
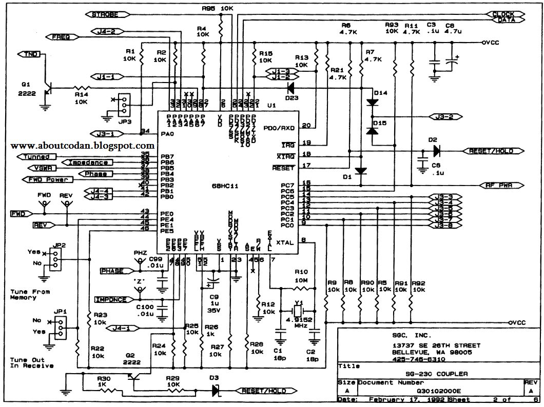
Everything about CODAN: CODAN 9103 (SGC 230) Antenna ... coupler schematic
Optocoupler Latch Circuit – Circuit Wiring Diagrams coupler schematic
Power dividers and directional couplers - Wikipedia coupler schematic
diy - How should this SWR meter's directional coupler work ... coupler schematic
Six-port circuit schematic using 3 hybrid couplers (H-90 ... coupler schematic
The Quick Coupler Circuit | Sun Hydraulics coupler schematic
Fiber taper/channel WG directional coupler scheme. (a) 3D ... coupler schematic
(a) Schematic structure of a fiber directional coupler (b ... coupler schematic
Application Notes : Sigatek Microwave, Power Dividers ... coupler schematic
Schematic diagram of a 180° hybrid coupler with phase ... coupler schematic
K6JCA: Building an HF Directional Coupler coupler schematic
A schematic diagram of the directional coupler switch ... coupler schematic
Circuit diagram of the 180° hybrid coupler with port 1 ... coupler schematic
L3Harris Narda-ATM – Microwave RF Components Manufacturer ... coupler schematic
RF Combiners Splitters Couplers Hybrids - key summary ... coupler schematic
Linear Coupler for AC3000 Pneumatic System coupler schematic
Schematic of a directional coupler consisting of two ... coupler schematic
Schematic of 90 degree hybrid coupler In Fig. 4 the good 3 ... coupler schematic
Attenuator/coupler coupler schematic
RF directional couplers - Circuit Design - Raynet Repair ... coupler schematic
Antenna, Amplifier and Filter Measurements usin ... coupler schematic
Microwaves101 | Directional Couplers coupler schematic

Coupler Schematic


Please create a FREE ACCOUNT to continue reading or download !

Start Your FREE Month!!