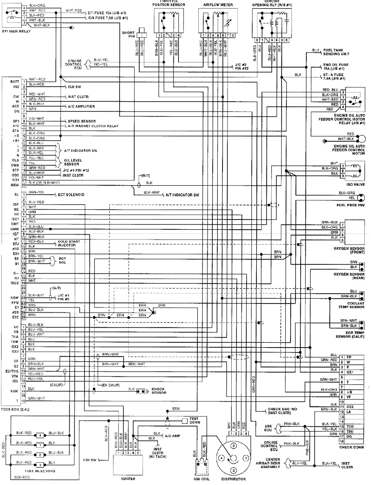
1jz Gte Wiring Diagram Schematic

1jz gte wiring diagram schematic
wilbo666 [licensed for non-commercial use only] mirror ... 1jz gte wiring diagram schematic
Alternator Wiring Diagram Diagram ~ wiringelc 1jz gte wiring diagram schematic
Supra 2jz Gte Wiring Diagram - Wiring Diagram 1jz gte wiring diagram schematic
Component Wiring Diagram Software Mac Conceptdraw Pro ... 1jz gte wiring diagram schematic
wilbo666 / 2JZ-GTE VVTi JZA80 Supra Engine Wiring 1jz gte wiring diagram schematic
[NT_7171] These Diagrams Also Include Nonvvti Diagrams ... 1jz gte wiring diagram schematic
2jz Ecu Wiring Diagram | Online Wiring Diagram 1jz gte wiring diagram schematic
E90 Hifi Wiring Diagram 1jz gte wiring diagram schematic
7M-GTE EGR-less vacuum routing – Shoarmateam 1jz gte wiring diagram schematic
Old wall lights | Lighting and Ceiling Fans 1jz gte wiring diagram schematic
ECU Upgrades | TARAGO, PREVIA, ESTIMA, ECU. 1jz gte wiring diagram schematic
Toyota Prado 2014 GSIC GRJ150 TRJ150,155 KDJ150,155 LJ150 ... 1jz gte wiring diagram schematic
Range Rover Fuse Box 02 | Wiring Library 1jz gte wiring diagram schematic
Rebuilding the Toyota Aisan carburetor - Toyota Nation ... 1jz gte wiring diagram schematic
Sonnax Zip Kit® - A340-LATE-ZIP 1jz gte wiring diagram schematic
Dodge Engine Wiring Harness | eBay 1jz gte wiring diagram schematic
SAFC WIRING DIAGRAM - Hyundai Aftermarket 1jz gte wiring diagram schematic
Caution Do Not allow valve body plate to separate from ... 1jz gte wiring diagram schematic
Toyota Hilux 2.0 1996 | Auto images and Specification 1jz gte wiring diagram schematic

1jz Gte Wiring Diagram Schematic


Please create a FREE ACCOUNT to continue reading or download !

Start Your FREE Month!!