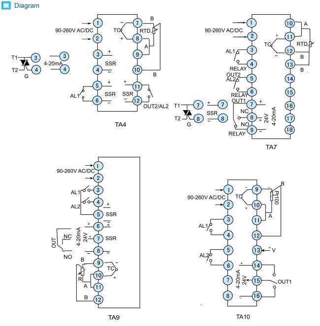
Mypin Ta4 Wiring Diagram

mypin ta4 wiring diagram
Suazo's Roast mypin ta4 wiring diagram
Setting your MYPIN TA4 PID temperature - YouTube mypin ta4 wiring diagram
Setting MYPIN Temperature Offset - YouTube mypin ta4 wiring diagram
Help Wiring PID - wood guy, not good w/wiring mypin ta4 wiring diagram
DIY 110v Temperature Controlled Soldering Station | PCB Smoke mypin ta4 wiring diagram
Minnesota Boston | 비례-적분-미분 제어기(PID 제어기)---PID Controller ... mypin ta4 wiring diagram
Universal Digital PID Temperature Controller SSR Control ... mypin ta4 wiring diagram
Ta4-snr pid temperature controller manual mypin ta4 wiring diagram
DIY STC-1000 2-Stage Temperature Controller Wiring Diagram ... mypin ta4 wiring diagram
DIY Sous Vide Heating Immersion Circulator for About $75 ... mypin ta4 wiring diagram
2002 International 4300 Fuse Box Diagram - Auto Electrical ... mypin ta4 wiring diagram
How to wire a Ranco digital temperature controller – 120v ... mypin ta4 wiring diagram
Прецизионный потенциометр mypin ta4 wiring diagram
Understanding the XController and SuperPid2 operation ... mypin ta4 wiring diagram
relay - SSR function con control panel - Electrical ... mypin ta4 wiring diagram

Mypin Ta4 Wiring Diagram


Please create a FREE ACCOUNT to continue reading or download !

Start Your FREE Month!!