8 Wheel Horse Wiring Diagram

8 wheel horse wiring diagram
416-8 electrical problem - Wheel Horse Electrical ... 8 wheel horse wiring diagram
Tractor 1974 C-120 Auto IPL Wiring.pdf - 1973-1977 ... 8 wheel horse wiring diagram
Tractor 1968 Electro 12 D&A TPL Wiring SN.pdf - 1965-1972 ... 8 wheel horse wiring diagram
Tractor 1986 414-8 Wiring.pdf - 1985-1990 - RedSquare ... 8 wheel horse wiring diagram
70' electro 12 wiring diagram - Wheel Horse Electrical ... 8 wheel horse wiring diagram
Tractor 1972 Raider 8, 10, 12 & 14 D&A OM Wiring SN.pdf ... 8 wheel horse wiring diagram
Kohler Voltage Regulator Re-Regulator! - YouTube 8 wheel horse wiring diagram
70' electro 12 wiring diagram - Wheel Horse Electrical ... 8 wheel horse wiring diagram
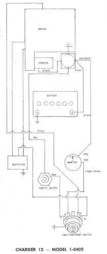
Tractor 1972 Bronco 14, Charger 10 & Charger 12 D&A OM ... 8 wheel horse wiring diagram
Briggs & Stratton Small Engine Alternator Replacement ... 8 wheel horse wiring diagram
How to Connect Trailer Wiring: 2003 Chevy S-10 Pickup: 9 Steps 8 wheel horse wiring diagram
How To Remove Flywheel, Points Timing and reassembly of ... 8 wheel horse wiring diagram
MTD Transaxle Basic Rebuild (Replacing all Bearings) Part ... 8 wheel horse wiring diagram
How to test lawn mower key switch - YouTube 8 wheel horse wiring diagram
how to adjust valves on honda gx, or chinese replicas ... 8 wheel horse wiring diagram
Craftsman Lawn Tractor Brake Assembly and Adjustment - YouTube 8 wheel horse wiring diagram
Troy Bilt Steering Fix (Slipping) How to Fix it - YouTube 8 wheel horse wiring diagram

8 Wheel Horse Wiring Diagram


Please create a FREE ACCOUNT to continue reading or download !

Start Your FREE Month!!