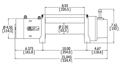
Warn M5000 Wiring Diagram

warn m5000 wiring diagram
ჯალამბარის შეერთების სქემები - Off-Roaders Club Georgia warn m5000 wiring diagram
Warn M8000 with steel rope - LRS Offroad warn m5000 wiring diagram
WARN Winch Repair Parts, parts for WARN winches ... warn m5000 wiring diagram

Warn M5000 Wiring Diagram


Please create a FREE ACCOUNT to continue reading or download !

Start Your FREE Month!!