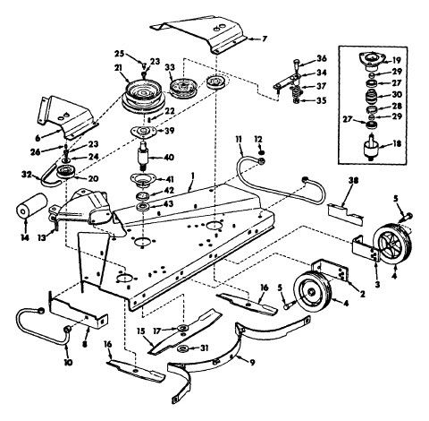
1450 Cub Cadet Schematic

1450 cub cadet schematic
Older 3 blade 42in deck - MyTractorForum.com - The ... 1450 cub cadet schematic
Cub Cadet Lt1045 Wiring Schematic - Wiring Diagram ... 1450 cub cadet schematic
Rusty Bucks Ranch -Cub Cadet Manuals Index 1450 cub cadet schematic
Cub Cadet Lt1046 Deck Diagram | Atkinsjewelry 1450 cub cadet schematic
JOHN DEERE X495 WIRING DIAGRAM - Auto Electrical Wiring ... 1450 cub cadet schematic
Cub Cadet FAQ 1450 cub cadet schematic
How to adj carb on tecumseh engines 1450 cub cadet schematic
Riding Mower Electric PTO Clutch Won't Engage When Hot ... 1450 cub cadet schematic
Riding Lawn Mower Drawing at GetDrawings | Free download 1450 cub cadet schematic
Gilson dual stage snow blower model 8346 We p ... 1450 cub cadet schematic
Best Carb Kohler 16hp - Mechanical & Hydraulics Forum - GTtalk 1450 cub cadet schematic
Small Engine Repair: Carburetor Linkages on a Briggs ... 1450 cub cadet schematic
Small Engine Carburetor Replacement – Briggs & Stratton ... 1450 cub cadet schematic

1450 Cub Cadet Schematic


Please create a FREE ACCOUNT to continue reading or download !

Start Your FREE Month!!