Auto Reset Circuit Breaker Wiring Diagram

auto reset circuit breaker wiring diagram
Rig Rite® 24 - Volt Manual Reset Circuit Breaker - 104893 ... auto reset circuit breaker wiring diagram
COOPER BUSSMANN BP/CB185-80 - Cooper Bussmann Circuit ... auto reset circuit breaker wiring diagram
Marine electrics: the basics of 12-Volt systems - boats.com auto reset circuit breaker wiring diagram
Residual current devices (RCDs) and Ground fault ... auto reset circuit breaker wiring diagram
c5 stereo wiring diagram? - CorvetteForum - Chevrolet ... auto reset circuit breaker wiring diagram
Defy Gemini Wiring Diagram auto reset circuit breaker wiring diagram
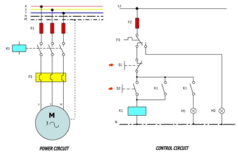
ห้องเรียนออนไลน์ Byครูตุ้ง: วงจรสตาร์ทมอเตอร์โดยตรง ... auto reset circuit breaker wiring diagram
Control circuit for forward and reverse motor - YouTube auto reset circuit breaker wiring diagram
Replacing Air Conditioner (HVAC) Actuator – VE Commodore ... auto reset circuit breaker wiring diagram
GMC Envoy (2003 - 2004) - fuse box diagram - Auto Genius auto reset circuit breaker wiring diagram
How Do I Replace an Electric Heater Fuse? : Electrical ... auto reset circuit breaker wiring diagram
SQ3N(WATSN) automatic static transfer switch - China ... auto reset circuit breaker wiring diagram
How to fix common AC problem on Lincoln MKZ. No compressor ... auto reset circuit breaker wiring diagram
How to adjust water pump pressure, pump cut-on pressure ... auto reset circuit breaker wiring diagram
How To Fix Your Airbag Light Without Having It Blow Up In ... auto reset circuit breaker wiring diagram
Chrysler PT Cruiser Questions - i put the negative battery ... auto reset circuit breaker wiring diagram
Drawings and Diagrams--Fundamentals of Electrical ... auto reset circuit breaker wiring diagram
A2 Photos auto reset circuit breaker wiring diagram
How Room Air Conditioners Work auto reset circuit breaker wiring diagram

Auto Reset Circuit Breaker Wiring Diagram


Please create a FREE ACCOUNT to continue reading or download !

Start Your FREE Month!!