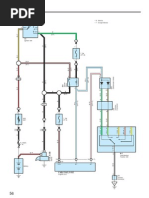
Isuzu 4jb1 Wiring Diagram

isuzu 4jb1 wiring diagram
ISUZU 4JB1 Turbo 100208 - YouTube isuzu 4jb1 wiring diagram
Isuzu N-Series - fuse box diagram - CARKNOWLEDGE isuzu 4jb1 wiring diagram
Swafly Supplied Excavator Parts 4jb1 Fuel Injector Pump ... isuzu 4jb1 wiring diagram
NPR MANUAL Y DIAGRAMA MOTOR ISUZU 729_4HK1_Training.pdf ... isuzu 4jb1 wiring diagram
Bleeding Modern Diesel, Isuzu Sitec Engine Woes. - YouTube isuzu 4jb1 wiring diagram
Схемы ВАКУМ трубок для двигателей • Isuzu - Opel 4x4 Club isuzu 4jb1 wiring diagram
ISUZU NHR NKR NPR NQR NPS MANUALS | Auto Repair Manual ... isuzu 4jb1 wiring diagram
イセキTS2810「撮りトラ」その3 | 水戸市大場町・島地区農地・水・環境保全会便り isuzu 4jb1 wiring diagram
Repair Guides isuzu 4jb1 wiring diagram
Service Manual Common Rail System Isuzu 4HK1 6HK1 | Fuel ... isuzu 4jb1 wiring diagram
| Repair Guides | Diesel Fuel System | Injection Timing ... isuzu 4jb1 wiring diagram
2001 Isuzu Rodeo - How to Change the Engine Oil - YouTube isuzu 4jb1 wiring diagram
| Repair Guides | Manual Transmission | Identification ... isuzu 4jb1 wiring diagram
daihatsu k3-vet engine mechanical manual book ... isuzu 4jb1 wiring diagram
Zexel VE driveshaft seal 20mm - Diesel Injection Pumps isuzu 4jb1 wiring diagram
How To Check Fuel Pump Injection Timing isuzu 4jb1 wiring diagram
Stanadyne DB2 Injection Pump - Diesel Engine - Diesel ... isuzu 4jb1 wiring diagram
Robert Bosch type VE Diesel injection pump isuzu 4jb1 wiring diagram
Ranger / 1.9L TDI isuzu 4jb1 wiring diagram

Isuzu 4jb1 Wiring Diagram


Please create a FREE ACCOUNT to continue reading or download !

Start Your FREE Month!!