Dell Subwoofer Wiring Diagram Connections

dell subwoofer wiring diagram connections
Anschließen an einen Verstärker oder AV-Empfänger HEOS Link dell subwoofer wiring diagram connections
Surround Sound Speaker Wiring Diagram | family room ideas ... dell subwoofer wiring diagram connections
Collegamento dell’altoparlante A/B PM5005 dell subwoofer wiring diagram connections
How to Attach Speaker Wire to a Volume Control - YouTube dell subwoofer wiring diagram connections
Headset doesnt work with new PC? - Audio - Linus Tech Tips dell subwoofer wiring diagram connections
Collegamento delle casse al CONNECT:AMP dell subwoofer wiring diagram connections
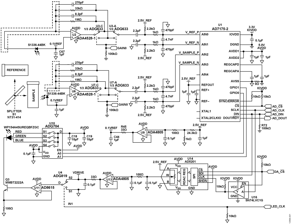
CN0363 Circuit Note | Analog Devices dell subwoofer wiring diagram connections
Small FAT Arduino Library - SD Card Reader dell subwoofer wiring diagram connections

Dell Subwoofer Wiring Diagram Connections


Please create a FREE ACCOUNT to continue reading or download !

Start Your FREE Month!!