300ex Fuel Diagram

300ex fuel diagram
Honda TRX250X FOURTRAX 250X 1991 (M) USA parts lists and ... 300ex fuel diagram
Honda ATV 2000 OEM Parts Diagram for Swingarm | Partzilla.com 300ex fuel diagram
Honda TRX300EX FOURTRAX 1996 (T) CANADA parts lists and ... 300ex fuel diagram
Pt.1 Honda TRX300 Carb Repair At D-Ray's Shop - YouTube 300ex fuel diagram
Honda TRX300EX FOURTRAX 1996 (T) CANADA parts lists and ... 300ex fuel diagram
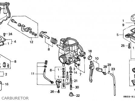
Honda Trx300ex Fourtrax 300ex 1999 (x) Usa parts list ... 300ex fuel diagram
Honda Trx300ex Fourtrax 300ex 1999 (x) Usa parts list ... 300ex fuel diagram
ATV Answerman ATV amp UTV Tech Questions : Off-Road.com 300ex fuel diagram
Honda Rancher 420 crankshaft part 1 of 4 engine rebuild ... 300ex fuel diagram
I have a 2002 Honda 300ex that has started cutting off ... 300ex fuel diagram
Honda Rancher TRX 350 TE Replacing The Starter By kvusmc ... 300ex fuel diagram
:: 300ex fuel diagram
2006 honda rancher 350.... Timing chain tensioner broke #2 ... 300ex fuel diagram
TBolt USA Tech Database - TBolt USA, LLC 300ex fuel diagram
How to bleed ATV brakes - YouTube 300ex fuel diagram
Yamaha YZ250 - Clutch Cable Installation - YouTube 300ex fuel diagram
Lone Star Racing Swing Arm 300ex fuel diagram
2017 Honda Foreman 500 ATV Model Lineup Explained ... 300ex fuel diagram
2016 Honda Rancher 420 ATV Model Lineup Review ... 300ex fuel diagram

300ex Fuel Diagram


Please create a FREE ACCOUNT to continue reading or download !

Start Your FREE Month!!