Dmx Ethernet Wiring Diagram

dmx ethernet wiring diagram
Index of /postpic/2012/02 dmx ethernet wiring diagram
DMX Wiring Diagrams - SIRS-E® dmx ethernet wiring diagram
Open Hardware USB to RS485 Adapter | [protofusion] dmx ethernet wiring diagram
24ch RGB DMX Decoder dmx ethernet wiring diagram
Cisco Certified Network Associate (640-802 CCNA) : Lab 1.1 ... dmx ethernet wiring diagram
Cat5 To Xlr Wiring Diagram - Wiring Diagram dmx ethernet wiring diagram
Adafruit CC3000 Wi-Fi Shield for Arduino with Onboard ... dmx ethernet wiring diagram
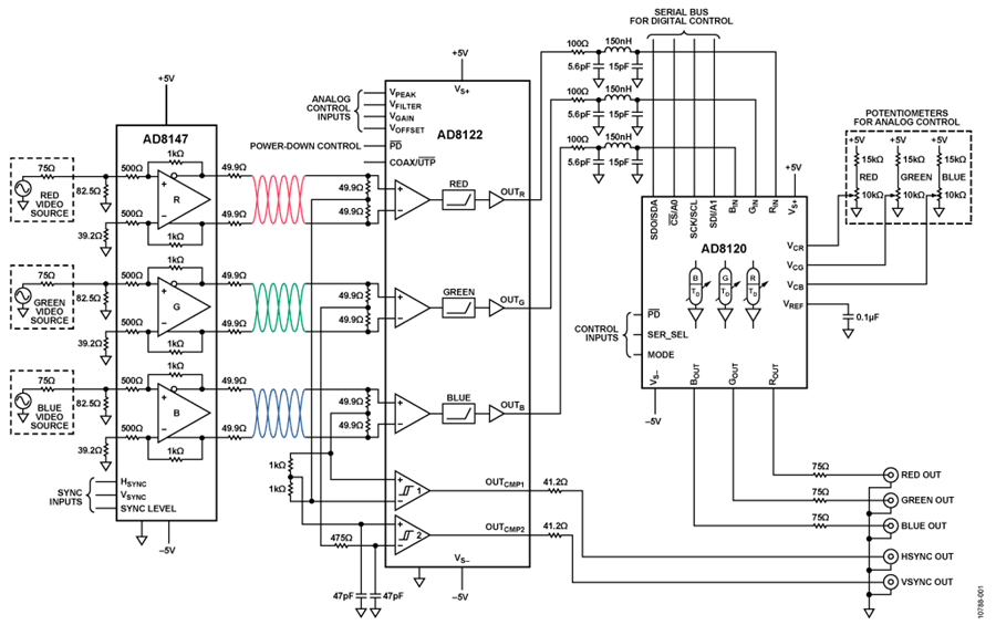
CN0275 Circuit Note | Analog Devices dmx ethernet wiring diagram
920D Custom Loaded Strat Pickguard w/ EMG SA SPC EXG White ... dmx ethernet wiring diagram
DC Power Over Ethernet (Injector Adapter) For: Router, AP ... dmx ethernet wiring diagram
ethernet - Effects of impedance matching between 50 and 75 ... dmx ethernet wiring diagram
home > product> solutions > industrial communication ... dmx ethernet wiring diagram
Ethernet Media Converter | L-com.com dmx ethernet wiring diagram
Daslight Virtual Controller DVC4 Series - SIRS-E® dmx ethernet wiring diagram
Use Arduino and Relays to Control AC Lights and Appliances ... dmx ethernet wiring diagram
DMX RGBW LED Strip 4 In 1 Direct DMX512A Pixel-by-Pixel ... dmx ethernet wiring diagram
Fender Strat Stratocaster Vintage Noiseless Prewired ... dmx ethernet wiring diagram
920D Custom

Dmx Ethernet Wiring Diagram


Please create a FREE ACCOUNT to continue reading or download !

Start Your FREE Month!!