Headphone Jack Xlr Wiring Diagram

headphone jack xlr wiring diagram
RobinetteBox headphone jack xlr wiring diagram
PalmOne Treo headset schematic · AllPinouts headphone jack xlr wiring diagram
How to Make Your Own Stereo Cable (3.5mm - Mini jack to ... headphone jack xlr wiring diagram
A New Multi-Purpose iPhone Audio Adapter will assist the ... headphone jack xlr wiring diagram
FLEX-3000 to 3-Pin Female XLR Audio Interface Configuration headphone jack xlr wiring diagram
professor-abrahao.blogspot.com: Dica do MacGyver: Mp3 ... headphone jack xlr wiring diagram
How to Solder: An Illustrated DIY Guide to Making Your Own ... headphone jack xlr wiring diagram
Headphone & Microphone Combo Audio Jack - HP Support ... headphone jack xlr wiring diagram
Issues using mic port on new Dualshock 4 - NeoGAF headphone jack xlr wiring diagram
Feral Matched Batteries & Accessories - Page 284 - R/C ... headphone jack xlr wiring diagram
Un dispositif matériel universel pour copier les contacts ... headphone jack xlr wiring diagram
How To Repair a Headphone Cable and Replace a Jack Plug ... headphone jack xlr wiring diagram
Come Saldare un Mini Jack Stereo: 8 Passaggi headphone jack xlr wiring diagram
4 Pin Mini Xlr Wiring Diagram - Wiring Diagram headphone jack xlr wiring diagram
Wiring audio inputs and outputs - Biamp Systems headphone jack xlr wiring diagram
How to Solder Stereo Mini Plugs: 8 Steps (with Pictures ... headphone jack xlr wiring diagram
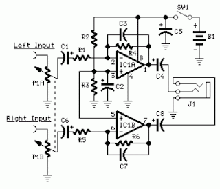
Audio DIY Workshop: PREAMP 12AX7 HYBRID OPA2134 headphone jack xlr wiring diagram
Mono and stereo | Welcome to SWPhonetics headphone jack xlr wiring diagram
TNC-Pi Setup Notes — Eugene Maker Space High Altitude ... headphone jack xlr wiring diagram
What is an isolation transformer | Physics Forums headphone jack xlr wiring diagram

Headphone Jack Xlr Wiring Diagram


Please create a FREE ACCOUNT to continue reading or download !

Start Your FREE Month!!