Maytag Dryer Diagrams

maytag dryer diagrams
MAYTAG MAYTAG LAUNDRY Parts | Model mle2000ayw | Sears ... maytag dryer diagrams
How To Replace A Belt On Maytag Dryer | TcWorks.Org maytag dryer diagrams
SOLVED: I need a diagram of dryer drum belt placement on ... maytag dryer diagrams
Maytag model PYE2300AYW residential dryer genuine parts maytag dryer diagrams
Kenmore 110.62832100 - HTYP maytag dryer diagrams
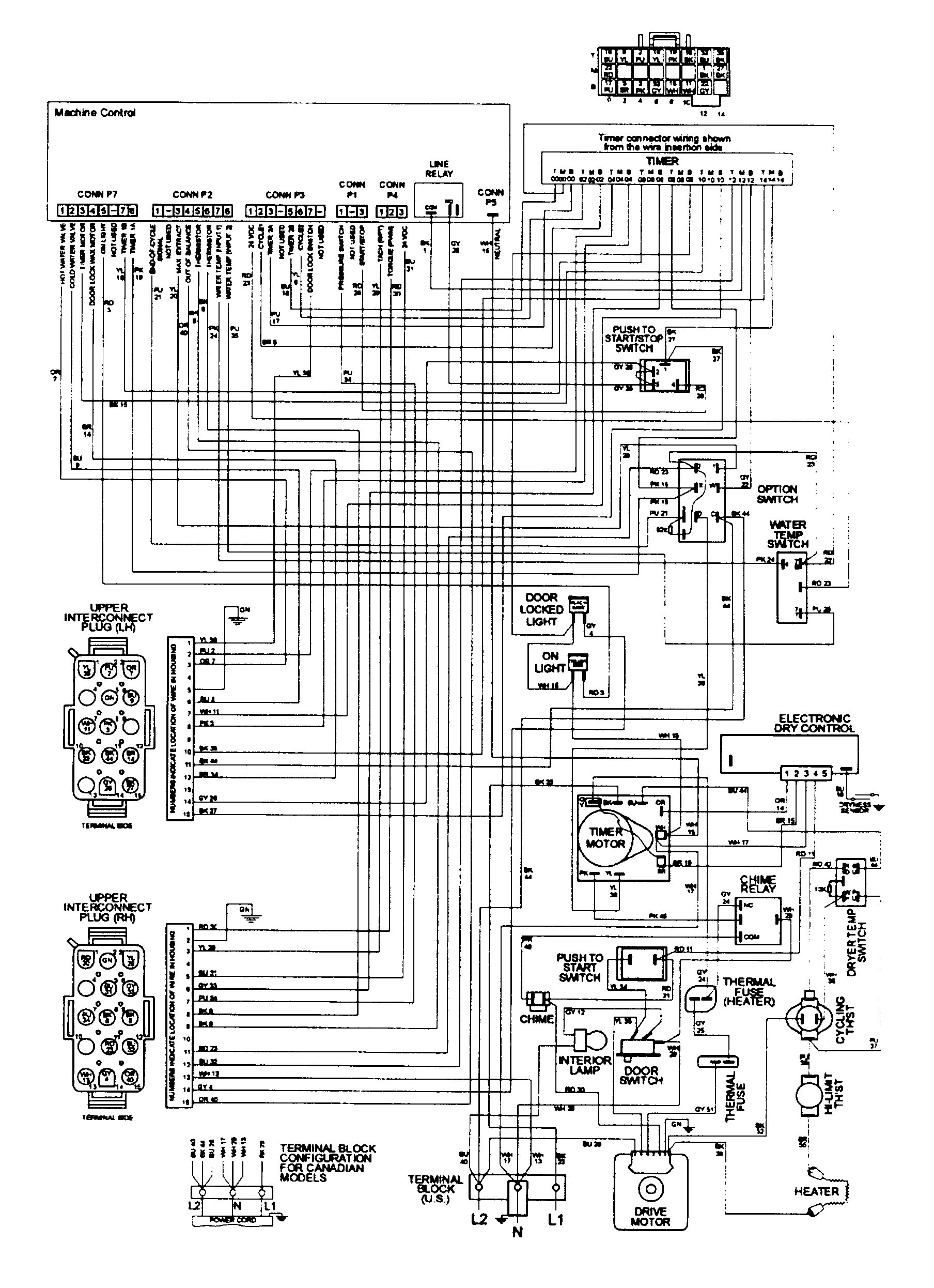
electrical - Where does the ground wire go in a 3-prong ... maytag dryer diagrams
Whirlpool model WRF736SDAM12 bottom-mount refrigerator ... maytag dryer diagrams
CROSLEY CROSLEY LAUNDRY Parts | Model CDE6500W | Sears ... maytag dryer diagrams
Diagrams, Parts and Manuals for American Dryer AD-758 Dryer maytag dryer diagrams
electrical - New Electric Stove, Old Wiring - Home ... maytag dryer diagrams
Kenmore Oven Won't Turn On? Replace Control Board ... maytag dryer diagrams
How To Repair Dishwashers/KitchenAid Repair/Chopper ... maytag dryer diagrams
AEG LAVATHERM (60750225500) Tumble Dryer Spares & Parts ... maytag dryer diagrams
Pool Pump & Timer Wiring Questions... motor overheats ... maytag dryer diagrams
Murray model 30550H lawn, riding mower rear engine genuine ... maytag dryer diagrams
OEM Mi-T-M Pressure Washer Parts [HSP-2403-3MGH] | Repair ... maytag dryer diagrams
OEM Milwaukee Band Saw Parts [6232-20] | Repair Videos ... maytag dryer diagrams
OEM Ridgid Table Saw Parts [TS3650] | Repair Videos ... maytag dryer diagrams
YORK CENTRAL AIR CONDITIONER Parts | Model h4ce090a25a ... maytag dryer diagrams
Mantis model 7222E cultivator genuine parts maytag dryer diagrams

Maytag Dryer Diagrams


Please create a FREE ACCOUNT to continue reading or download !

Start Your FREE Month!!