Wiring Diagram Ford Pantera

wiring diagram ford pantera
The Pantera Water Temperature Gauges wiring diagram ford pantera
Building a Pantera with a Twin-turbo 428 Windsor ... wiring diagram ford pantera
Pantera 1971-74 Master Chassis & Body Master Parts Text ... wiring diagram ford pantera
Mailbag: Transmission Swap Advice for a Ford 351 Cleveland ... wiring diagram ford pantera
repair-manuals: Toyota Land Cruiser FJ40 1973 Wiring Diagrams wiring diagram ford pantera
SU carburettor - Wikipedia wiring diagram ford pantera
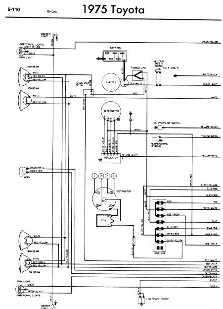
repair-manuals: Toyota Hilux 1975 Wiring Diagrams wiring diagram ford pantera
repair-manuals: Toyota Land Cruiser FJ40 1976 Wiring Diagrams wiring diagram ford pantera
Lincoln Mark VIII fan wiring - Ford Mustang Forums ... wiring diagram ford pantera
DART LSNext 31937211 ALUMINUM 4.125
Auto Spare Parts - Heater & Air Conditioner Parts | Used ... wiring diagram ford pantera
repair-manuals: Mercedes-Benz 300SL 1962-1970 Wiring Diagrams wiring diagram ford pantera
repair-manuals: Toyota Land Cruiser FJ40/55 1977 Wiring ... wiring diagram ford pantera
repair-manuals: Toyota Corolla 1981 Wiring Diagrams wiring diagram ford pantera
repair-manuals: Toyota Corolla 1981 Wiring Diagrams wiring diagram ford pantera
Installing Borgeson’s Integral Power Steering for Classic ... wiring diagram ford pantera
Gas Monkey Garage's Mean, Green “HONDO” Trike is Up for Sale wiring diagram ford pantera
Build A 505HP Ford 351 Windsor - Hot Rod Network wiring diagram ford pantera
repair-manuals: Toyota Starlet 1982 Wiring Diagrams wiring diagram ford pantera
Wiper Motor Harness, 1965-66 Chevy Impala wiring diagram ford pantera

Wiring Diagram Ford Pantera


Please create a FREE ACCOUNT to continue reading or download !

Start Your FREE Month!!