For Schematic Bmw Wiring G650x Challenge

for schematic bmw wiring g650x challenge
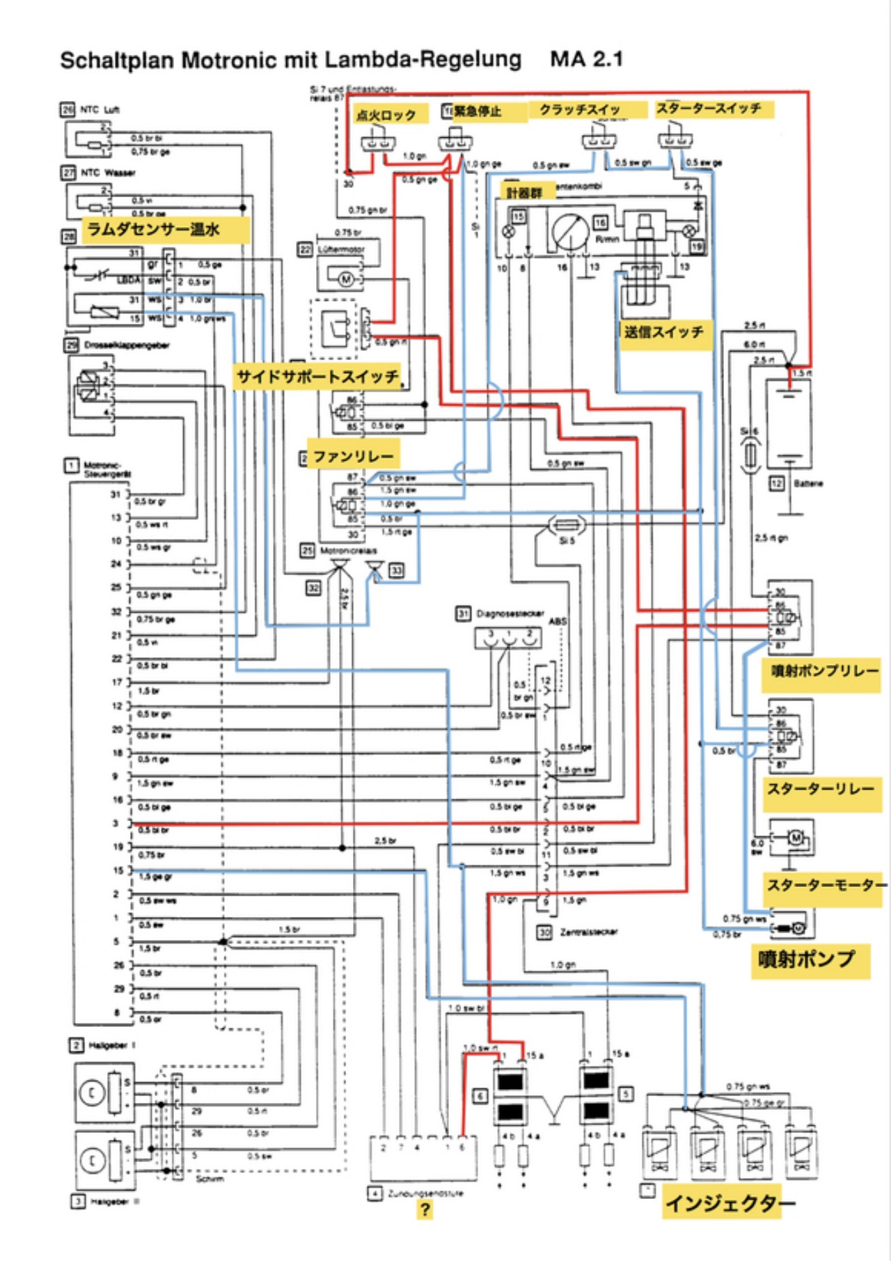
【K1】燃料ポンプに関する回路図考察 : だいちゃんガレージ for schematic bmw wiring g650x challenge

For Schematic Bmw Wiring G650x Challenge


Please create a FREE ACCOUNT to continue reading or download !

Start Your FREE Month!!