Magnesium Diagram

magnesium diagram
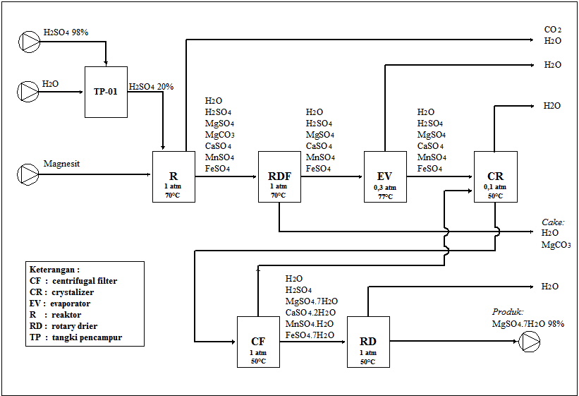
PraRancangan Pabrik Kimia: © Manufacture of Magnesium ... magnesium diagram
Burning Magnesium Ribbon - YouTube magnesium diagram
Cathodic Protection - Galvanic / Sacrificial - YouTube magnesium diagram
Magnesium and Calcium Deficiency in Cannabis EXPLAINED ... magnesium diagram
How to Draw Bohr Rutherford Diagrams - YouTube magnesium diagram
Metals | Free Full-Text | Phase Diagram of Al-Ca-Mg-Si ... magnesium diagram
Atom Model Science Project - YouTube magnesium diagram
Définition | Noyau atomique - Noyau | Futura Sciences magnesium diagram
Writing Ionic Formulas - Crisscross Method CLEAR & SIMPLE ... magnesium diagram
IonExchange - YouTube magnesium diagram
Fuel cell diagram (Separating Hydrogen from Oxygen for ... magnesium diagram
The Earths Interior - A look At The Inner Earth magnesium diagram
SHAPE Small Electric Water Heaters | Ariston magnesium diagram
How To Flush & Clean an Atwood RV Water Heater - YouTube magnesium diagram
Lenovo ThinkPad T410 Review - YouTube magnesium diagram
The Terracotta Army of Qin Shi Huang and the Projection of ... magnesium diagram
The Gift of Neuroplasticity - David Perlmutter M.D. magnesium diagram
Classification and diagnostic approach to metabolic ... magnesium diagram

Magnesium Diagram


Please create a FREE ACCOUNT to continue reading or download !

Start Your FREE Month!!