Eagle Bus Wiring Diagram

eagle bus wiring diagram
CAN Repeater / Optoadapter mit zwei Transceivern und ... eagle bus wiring diagram
z21, Arduino Uno3, Weichensteuerung, Adafruit, Servo ... eagle bus wiring diagram
Schematic Wiring, New Bus Breakout, Dialog and More - PCB ... eagle bus wiring diagram
Arduino UNO an 4fach Relais - Mikrocontroller.net eagle bus wiring diagram
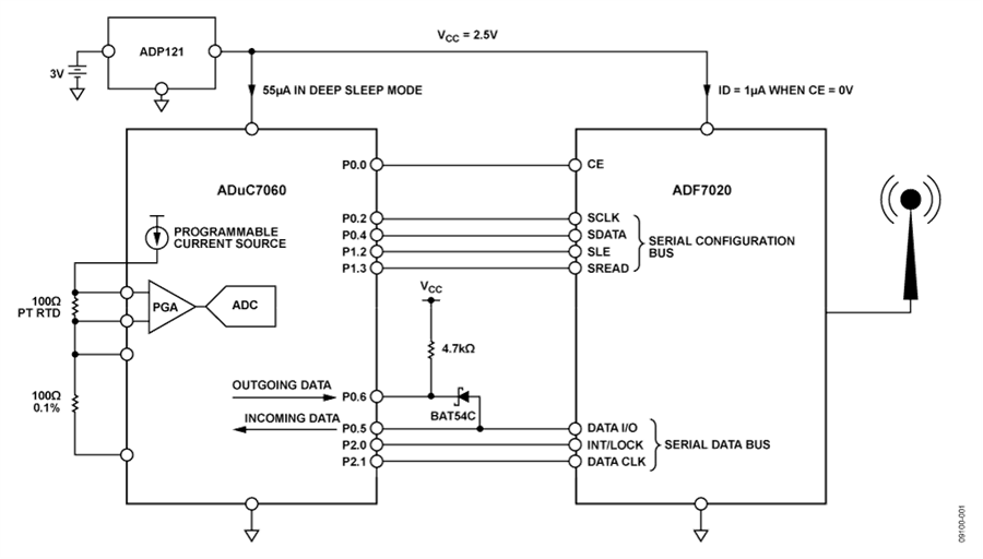
CN0164 Circuit Note | Analog Devices eagle bus wiring diagram
Alternatives of MAX232 in low budget projects | Do It Easy ... eagle bus wiring diagram
Plumbing – skywagonskoolie eagle bus wiring diagram
Extra Heavy Duty Locking Drawer Slides Bottom Mount ... eagle bus wiring diagram
Downloads | Adafruit Data Logger Shield | Adafruit ... eagle bus wiring diagram
How to Maintain RV Batteries eagle bus wiring diagram
1973 GMC Motorhome Glacier eagle bus wiring diagram
Troubleshooting and Maintaining Your RV’s Air Conditioner ... eagle bus wiring diagram
Video Game Shield for Arduino - Wayne and Layne - InMojo eagle bus wiring diagram
Hyundai H100 1998: Review, Amazing Pictures and Images ... eagle bus wiring diagram
Got a Brake Light Out? Fix It in Under 15 Minutes eagle bus wiring diagram
International S series (bus chassis) - Wikipedia eagle bus wiring diagram
Humvee with Arctic Fox Camper – Truck Camper HQ eagle bus wiring diagram
1999 Gmc Sonoma (gmt400) – pictures, information and specs ... eagle bus wiring diagram
Cruise Control & Wiring Diagram - YouTube eagle bus wiring diagram
USB to Serial converter using PL2303SA – Circuit Wiring ... eagle bus wiring diagram

Eagle Bus Wiring Diagram


Please create a FREE ACCOUNT to continue reading or download !

Start Your FREE Month!!