Guitar Output Wiring Diagram

guitar output wiring diagram
StompBoXed - The Guitar Pedal Builders Repository ... guitar output wiring diagram
Acoustic end pin jack adjustment - YouTube guitar output wiring diagram
Slick
Guitar Parts Factory - Bass Seymour Duncan P Bass Pickups guitar output wiring diagram
Telecaster Three Way Wiring guitar output wiring diagram
Making CNC XY Milling Table, Part 3: HowTo Connect The ... guitar output wiring diagram
Aria pro ii sb 1000 wiring problems | TalkBass.com guitar output wiring diagram
Air Conditioner Transformer - How to Wire a Transformer ... guitar output wiring diagram
Hosa Mono Y-Splitter - Split 1 Output Into 2 Inputs! - YouTube guitar output wiring diagram
Build an Amp guitar output wiring diagram
Project | Audio Blox: Experiments in Analog Audio Design ... guitar output wiring diagram
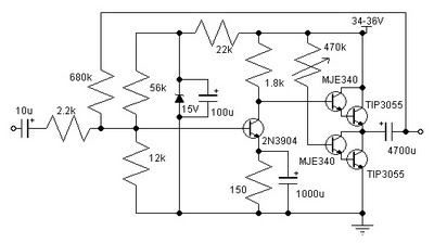
AMPLIFIER CIRCUIT SCHEMATIC DIAGRAM | SKEMA RANGKAIAN ... guitar output wiring diagram
True bypass wiring schemes – stinkfoot.se guitar output wiring diagram
EMG vs vintage pickups guitar output wiring diagram
Fender American Standard Strat Tremolo Bridge guitar output wiring diagram
1990 Gibson Chet Atkins CE Solidbody Classical | www ... guitar output wiring diagram
Wiring on a 1975 Fender Precision | TalkBass.com guitar output wiring diagram
YAMAHA Receiver How to hook up home theater speakers wire ... guitar output wiring diagram
Compatible expression pedals - Helix - Line 6 Community guitar output wiring diagram
Roland GK-1 GK-1 Kit 24-pin Guitar Synthesizer Kit for GR ... guitar output wiring diagram

Guitar Output Wiring Diagram


Please create a FREE ACCOUNT to continue reading or download !

Start Your FREE Month!!