Tiller Transmission Diagram

tiller transmission diagram
Snapper MC43E (1695764) 43cc 2 Cycle Mini Cultivator Parts ... tiller transmission diagram
Troy Bilt 12155 3HP ROTO-TILLER (S/N 121551100101-UP ... tiller transmission diagram
Honda FG100 A1/A ROTOTILLER, USA, VIN# FZCV-6000001 TO ... tiller transmission diagram
Poulan PPFT35C Tiller Parts Diagram for Transmission tiller transmission diagram
Mantis Tiller Transmission Assembly Replacement #400010 ... tiller transmission diagram
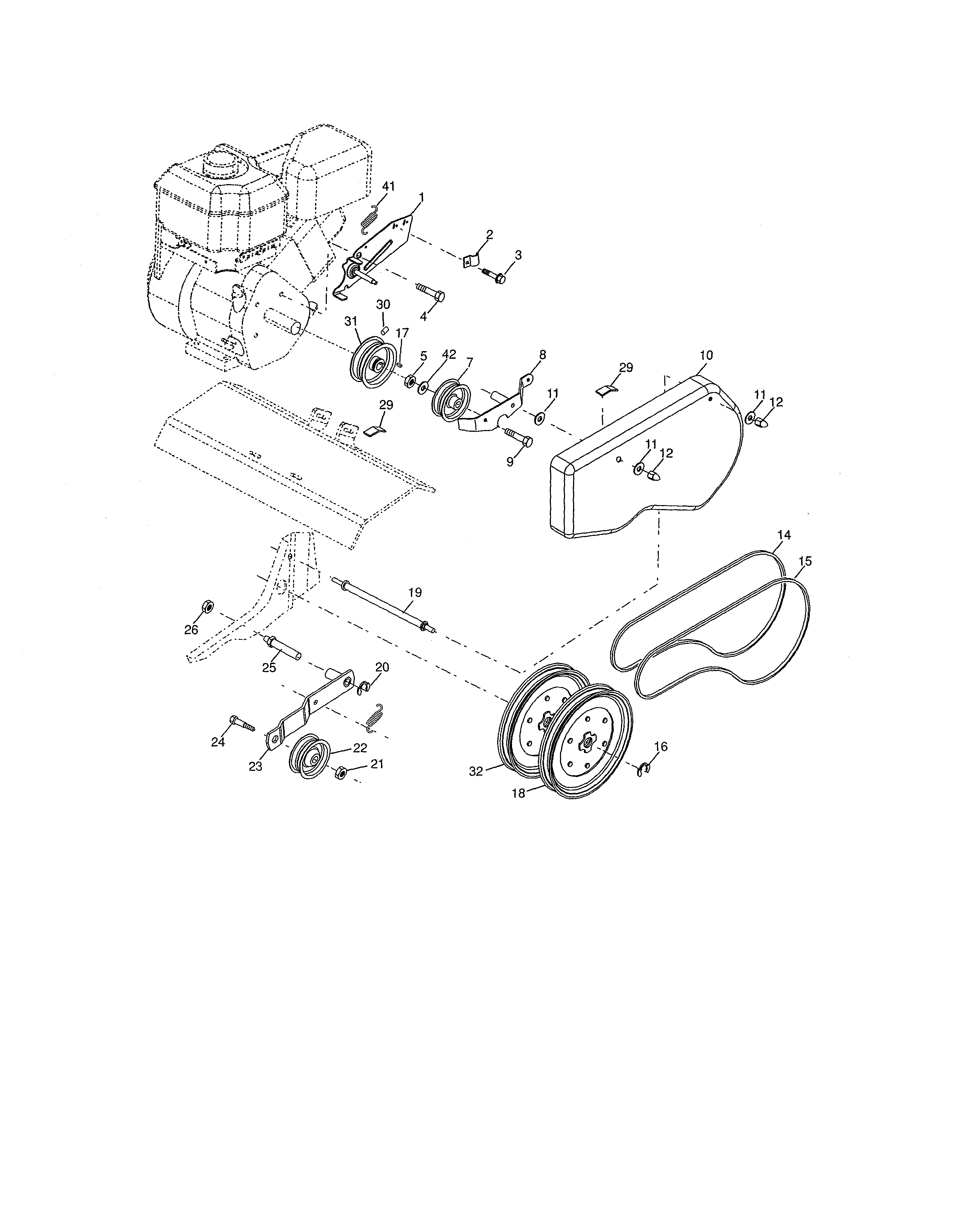
Troy Bilt 13WX79KT011 Horse (2013) Parts Diagram for ... tiller transmission diagram
Snapper MC43E (1695764) 43cc 2 Cycle Mini Cultivator Parts ... tiller transmission diagram
Simplicity/Befco Tiller - Replace Seal - YouTube tiller transmission diagram
633A38 Transaxle Differental Lock - YouTube tiller transmission diagram
Troy Bilt 21A-645A711 5HP CRT Roto-Tiller (2007) Parts ... tiller transmission diagram
troy bilt reverse setup - YouTube tiller transmission diagram
Honda F400K1 A2 ROTOTILLER, JPN, VIN# F400-2100001 Parts ... tiller transmission diagram
Husqvarna model FT900-96083000605 front tine, gas tiller ... tiller transmission diagram
Change a Tire by Hand garden tractor or lawn mower and ... tiller transmission diagram
Sam's Bolens tiller transmission diagram
Toro 20016, 22
Honda gc160 gc190 carb rebuild gcv160 PART 1 of 2 - YouTube tiller transmission diagram
How To Replace an Oil Seal with Taryl - YouTube tiller transmission diagram
2011-2016 Honda CB1000R Motorcycle Service Manual tiller transmission diagram

Tiller Transmission Diagram


Please create a FREE ACCOUNT to continue reading or download !

Start Your FREE Month!!