Welding Machine Circuit Diagram Pictures

welding machine circuit diagram pictures
Machine of the Week – Lincoln Vantage 500 Diesel Welding ... welding machine circuit diagram pictures
Arc welding transformer power regulation schematic welding machine circuit diagram pictures
Electric Welder Circuit Diagram --Engine Driven Lincoln ... welding machine circuit diagram pictures
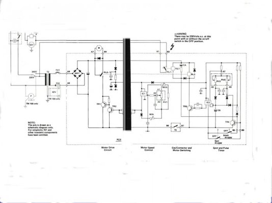
schematic centre welding machine circuit diagram pictures
Punktschweißgerät - YouTube welding machine circuit diagram pictures
Testing Mini Capacitor Spot welder. - YouTube welding machine circuit diagram pictures
POWER JACK GRID TIE INVERTER REPAIR,THE MOSFET MISHAP ... welding machine circuit diagram pictures
Easy 1 Watt LED Driver Working with 220V/120V AC ... welding machine circuit diagram pictures
P.C.B. diagram for Murex | MIG Welding Forum welding machine circuit diagram pictures
Weigh Scales | Analog Devices welding machine circuit diagram pictures
Component Simple Electrical Diagram Boat Building ... welding machine circuit diagram pictures
How does Induction Heating Work? || DIY Induction Heater ... welding machine circuit diagram pictures
Fluorescent Light Driver Circuit and Project welding machine circuit diagram pictures
24V Switch Mode Power Supply FSFR2100 - Electronics ... welding machine circuit diagram pictures
Special Transformers and Applications | Transformers ... welding machine circuit diagram pictures
Metal Fabrication & Welding: Aluminum Tig Welding welding machine circuit diagram pictures
GE Transformer delta-star nameplate | Power engineering ... welding machine circuit diagram pictures
T Up/Down Gate Expansion loop Flexible connection ... welding machine circuit diagram pictures

Welding Machine Circuit Diagram Pictures


Please create a FREE ACCOUNT to continue reading or download !

Start Your FREE Month!!