Maytag Heat Pump Wiring Diagram

maytag heat pump wiring diagram
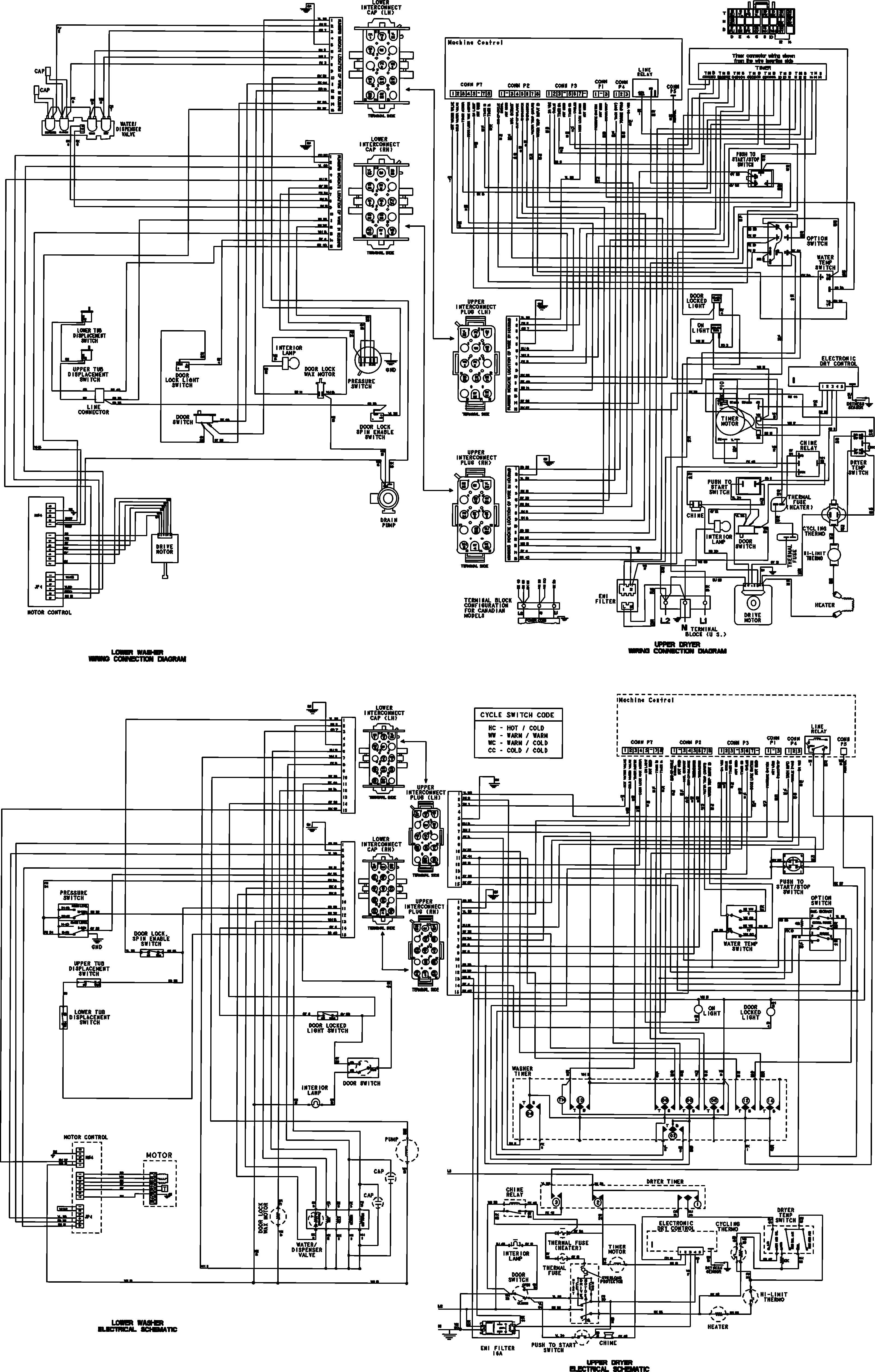
Maytag model MLE2000AYW laundry centers/combos genuine parts maytag heat pump wiring diagram
Duet Dryer Control Board (part #WP8546219) - How To ... maytag heat pump wiring diagram
Dryer Main Control Board - WPW10111606 | Fast Shipping ... maytag heat pump wiring diagram
Heater Termination Thermostat HTT maytag heat pump wiring diagram
GE WE4X757 Safety Thermostat - AppliancePartsPros.com maytag heat pump wiring diagram
Wiring Diagram Of Samsung Microwave Oven | Electronics ... maytag heat pump wiring diagram
Dryer Repair - Replacing the Dryer Drum Slide (GE Part ... maytag heat pump wiring diagram
Honeywell Thermostat Wiring - Wire Programmable ... maytag heat pump wiring diagram
3 Ton Goodman 15 SEER R410A Air Conditioner Split System ... maytag heat pump wiring diagram
Name that Part | Appliance Aid maytag heat pump wiring diagram
Maytag E3 Error Code Work-Around - YouTube maytag heat pump wiring diagram
Question regarding a Honeywell Thermostat, wiring the new ... maytag heat pump wiring diagram
Копилка чертежей страница 8 - Guns.ru Talks maytag heat pump wiring diagram
Dryer Thermal Limit Fuse Replacement – Samsung Dryer ... maytag heat pump wiring diagram
Manuals Air Conditioners, Boiler Manuals, Furnace Manuals ... maytag heat pump wiring diagram
Image result for e5 error code air conditioner orient ... maytag heat pump wiring diagram
AC not starting up - Air Conditioner condensing unit lost ... maytag heat pump wiring diagram
Whirlpool & Sears Kenmore dd base break down AMERICAN ... maytag heat pump wiring diagram
Haier refrigerator error code list hb21fc45n | DIY - Tips ... maytag heat pump wiring diagram

Maytag Heat Pump Wiring Diagram


Please create a FREE ACCOUNT to continue reading or download !

Start Your FREE Month!!