Husqvarna 36 Chainsaw Wire Diagram

husqvarna 36 chainsaw wire diagram
Husqvarna YTH2348 - 96045002500 (2012-02) Parts Diagram ... husqvarna 36 chainsaw wire diagram
New (aftermarket) Ignition Coil for: Husqvarna, Jonsered ... husqvarna 36 chainsaw wire diagram
HUSQVARNA CHAIN SAW Parts | Model 359 | Sears PartsDirect husqvarna 36 chainsaw wire diagram
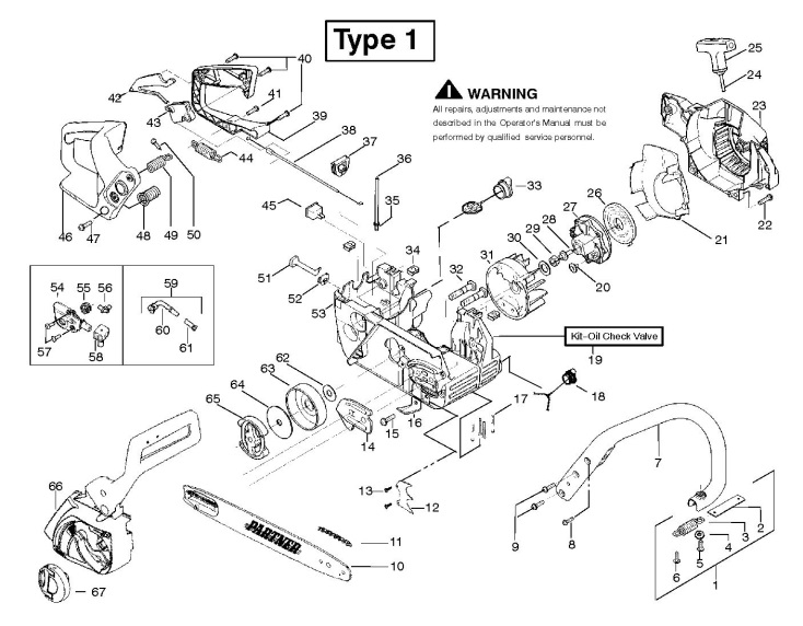
Partner 401 (952801947) Chainsaw CHASSIS & ENCLOSURES ... husqvarna 36 chainsaw wire diagram
So werden Probleme mit dem Zündsystem getestet und ... husqvarna 36 chainsaw wire diagram
Chainsaw Fuel Line Replacement - YouTube husqvarna 36 chainsaw wire diagram
Dixie Chopper Deck Lift Wiring Harness 500040 | Power ... husqvarna 36 chainsaw wire diagram
Jonsered LM 2147 CMD (965160101) Lawnmower WHEELS & TIRES ... husqvarna 36 chainsaw wire diagram
Genuine 36 IBS Cutter Deck Shell Pan Fits Countax Westwood ... husqvarna 36 chainsaw wire diagram
DC-3 Fuel System Flight Manual DC3 DC-3 Training husqvarna 36 chainsaw wire diagram

Husqvarna 36 Chainsaw Wire Diagram


Please create a FREE ACCOUNT to continue reading or download !

Start Your FREE Month!!