Keystone Montana Wiring Diagram

keystone montana wiring diagram
'77 FJ40 - Gear Reduction Starter & Dizzy Upgrade | IH8MUD ... keystone montana wiring diagram
Keystone Trailer Wiring Diagram | Trailer Wiring Diagram keystone montana wiring diagram
Used 2004 Keystone RV Cougar 285 EFS Fifth Wheel at ... keystone montana wiring diagram
Trailer Brake Plug keystone montana wiring diagram
Dave's Place - 79 M300/M400 Dodge Class A Chassis Wiring ... keystone montana wiring diagram
Security Traveler 5th Wheel 12v Wiring Diagram keystone montana wiring diagram
All about DC Power Conveerters in RVs | Trailer Life keystone montana wiring diagram
RV Waste Tank Valve Replacement in Keystone Cougar 276RLS ... keystone montana wiring diagram
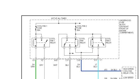
2002 Pontiac Montana Cooling Fans Not Engaging: My Cooling ... keystone montana wiring diagram
Replace RV Electric Water Heater Element (Suburban Model ... keystone montana wiring diagram
RV Holding Tank Monitor System | ModMyRV keystone montana wiring diagram
Trailer Wiring | schematic diagram wiring keystone montana wiring diagram
Dual Battery setup - Jeep Cherokee Forum keystone montana wiring diagram
Replacing the water heater element in an RV. By How-to Bob ... keystone montana wiring diagram
| Repair Guides | Ground Distribution (2001) | Ground ... keystone montana wiring diagram
12V DC Trailer Breakaway Switch | Princess Auto keystone montana wiring diagram
RV Hot Water Tanks | Appliance Video keystone montana wiring diagram

Keystone Montana Wiring Diagram


Please create a FREE ACCOUNT to continue reading or download !

Start Your FREE Month!!