18 Hp Intek Engine Diagram

18 hp intek engine diagram
Simplicity 7800071 - Javelin, 18.5HP B&S Rider w/44
Briggs And Stratton Vanguard 18 Hp V-twin 350447 Wiring ... 18 hp intek engine diagram
18 Hp Intek Engine Diagram | Wiring Diagram Database 18 hp intek engine diagram
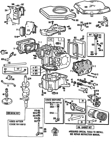
BRIGGS & STRATTON BRIGGS & STRATTON 18 HP ENGINE Parts ... 18 hp intek engine diagram
301 Moved Permanently 18 hp intek engine diagram
Snapper RZT185380BVE (7800009) 38
16 Hp Vanguard Engine Diagram | Wiring Diagram Database 18 hp intek engine diagram
14 Hp Briggs And Stratton Wiring Diagram - Wiring Forums 18 hp intek engine diagram
14 Hp Briggs And Stratton Wiring Diagram - Wiring Forums 18 hp intek engine diagram
Briggs And Stratton 20 Hp Intek Wiring Diagram 18 hp intek engine diagram
Just rebuilt carb on a Briggs and Stratton 18 hp OHV Intek ... 18 hp intek engine diagram
Snapper model RZT22500BVE2 (7800011) lawn, riding mower ... 18 hp intek engine diagram
BRIGGS & STRATTON 11 HP. BRIGGS & STRATTON ENGINE Parts ... 18 hp intek engine diagram
I have a 1992 14 hp briggs twin and it smokes. 18 hp intek engine diagram
Briggs And Stratton 21 Hp Intek Wiring Diagram 18 hp intek engine diagram
BRIGGS & STRATTON 6.5 HP ENGINE Parts | Model 1214120148e1 ... 18 hp intek engine diagram
Snapper 2690114 - RD2040, 40
Gravely 992031 (030000 - ) B&S 20 Hp. Intek 50
Snapper WO1-180V 6.5 HP 4 Cycle OHV Robin Engine Parts ... 18 hp intek engine diagram
Briggs And Stratton Vanguard 18 Hp V-twin 350447 Wiring ... 18 hp intek engine diagram
Snapper 2691043-00 - EZT2042, 42
Briggs & Stratton 14 hp 18hp intek Carburetor 794572 ... 18 hp intek engine diagram
Briggs And Stratton Engine Parts Diagram | Automotive ... 18 hp intek engine diagram
Kohler Magnum 18 Hp Wiring Diagram 18 hp intek engine diagram
Craftsman lawn tractor with Briggs & Stratton 18.5 HP OHV ... 18 hp intek engine diagram
Photos About 18 Hp Vanguard Parts Diagram | Anything About ... 18 hp intek engine diagram
10 Hp Briggs And Stratton Wiring Diagram - Wiring Forums 18 hp intek engine diagram
I have a Craftsman LT2000 with a 18.5 Intek Briggs and ... 18 hp intek engine diagram
Briggs & Stratton OEM Genuine 799727 Nikki Carburetor Carb ... 18 hp intek engine diagram
Briggs Stratton Engine 31H777 18 HP Intek AVS Vertical on ... 18 hp intek engine diagram
Briggs & Stratton Vertical 18.5 HP Intek I/C OHV 1 x 3-5 ... 18 hp intek engine diagram
Briggs And Stratton 18 Hp | Car Interior Design 18 hp intek engine diagram
New Carburetor 791858 792358 793224 794572 Intek 14hp 18hp ... 18 hp intek engine diagram
Briggs Engine 18.5hp replaces Kawasaki in John Deere 180 ... 18 hp intek engine diagram
Small Engine Surplus 44P777-4448 Briggs & Stratton 26 HP ... 18 hp intek engine diagram

18 Hp Intek Engine Diagram


Please create a FREE ACCOUNT to continue reading or download !

Start Your FREE Month!!