Wireless T1 Diagram

wireless t1 diagram
Sonoff T1 Wifi Light Switch UK Panel 1 2 3 Gang Wireless ... wireless t1 diagram
ISDN PRI Dynamic Switching wireless t1 diagram
Emotiva Airmotiv T1 Tower Speaker Reviewed wireless t1 diagram
Patton Rauland Responder 5 Nurse Call Integrated with ... wireless t1 diagram
Integrate Femtocells with existing wireless infrastructure ... wireless t1 diagram
Fiber Optic Knowledge: GPON (Gigabit Passive Optical Network) wireless t1 diagram
sonoff wifi switch wireless Relay module Smart home ... wireless t1 diagram
Computer LAN Network wireless t1 diagram
MAPS™ ISDN SIGTRAN Protocol Emulator(SIGTRAN ISDN over IP ... wireless t1 diagram
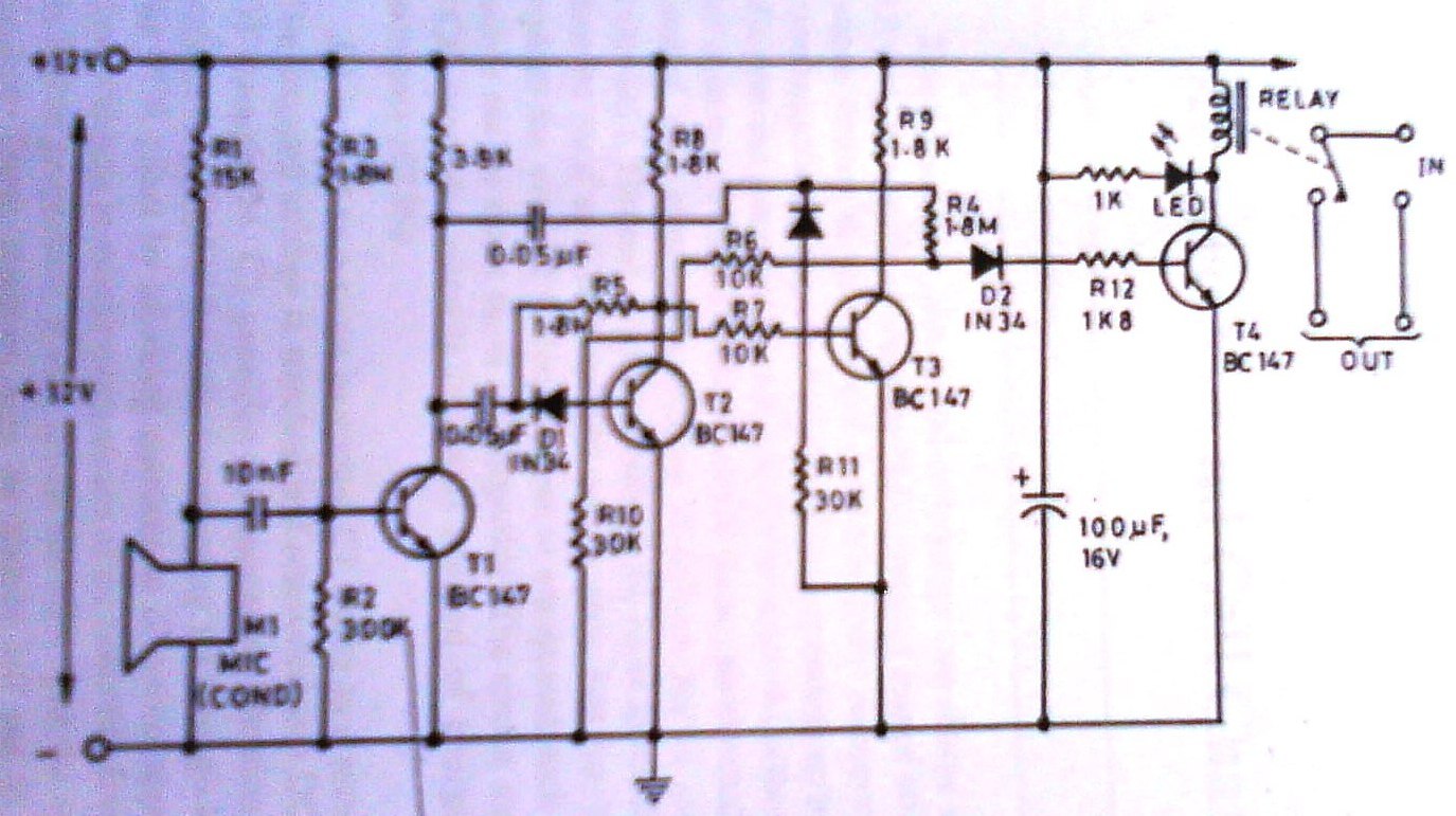
Transistor intercom circuit. wireless t1 diagram
Car Interior Light Dimmer Circuit wireless t1 diagram
Tutorial: How to Configure Metro E in 1941 Router ... wireless t1 diagram
www.doc-diy.net :: camera remote release pinout list wireless t1 diagram
MICROlose: Clap Switch wireless t1 diagram
Schematic & Wiring Diagram: Cable TV amplifier Using 2 ... wireless t1 diagram
Patton Trunk Line Migration When Deploying 3CX On-premise ... wireless t1 diagram
FET Audio Mixer Circuit wireless t1 diagram
Solar Cell Voltage Regulator - The Circuit wireless t1 diagram
Index of /image-site wireless t1 diagram
Teralab - Small Tesla Coil wireless t1 diagram

Wireless T1 Diagram


Please create a FREE ACCOUNT to continue reading or download !

Start Your FREE Month!!