Wiring Diagram Chrysler Outboard Motor

wiring diagram chrysler outboard motor
Evinrude Motor Identification - impremedia.net wiring diagram chrysler outboard motor
1979 115 Chrysler wiring diagram Page: 1 - iboats Boating ... wiring diagram chrysler outboard motor
I have a 105 hp chrysler i have foward controls but not ... wiring diagram chrysler outboard motor
Chrysler Engine Wiring Diagram - Wiring Forums wiring diagram chrysler outboard motor
CHRYSLER OUTBOARD WIRING DIAGRAMS -- MASTERTECH MARINE wiring diagram chrysler outboard motor
1968 Chrysler Wiring Diagram - Wiring Forums wiring diagram chrysler outboard motor
CHRYSLER OUTBOARD WIRING DIAGRAMS -- MASTERTECH MARINE wiring diagram chrysler outboard motor
35 Hp Mercury Outboard Wiring Diagram - Wiring Forums wiring diagram chrysler outboard motor
Chrysler Ignition Wiring Diagram - Wiring Forums wiring diagram chrysler outboard motor
force 50 hp wiring diagram needed! Page: 1 - iboats ... wiring diagram chrysler outboard motor
75 Hp Chrysler Outboard Motor - impremedia.net wiring diagram chrysler outboard motor
CHRYSLER OUTBOARD WIRING DIAGRAMS -- MASTERTECH MARINE wiring diagram chrysler outboard motor
Chrysler Ignition Wiring Diagram - Wiring Forums wiring diagram chrysler outboard motor
Yamaha Outboard Motor Parts Diagram - impremedia.net wiring diagram chrysler outboard motor
Yamaha Outboard Motor Parts Diagram - impremedia.net wiring diagram chrysler outboard motor
mastertech marine -- chrysler & force outboard wiring ... wiring diagram chrysler outboard motor
Mercury Outboard Motor Parts Canada - impremedia.net wiring diagram chrysler outboard motor
Mastertech Marine -- Chrysler & Force Outboard Wiring Diagrams wiring diagram chrysler outboard motor
75 Hp Chrysler Outboard Motor Manual - impremedia.net wiring diagram chrysler outboard motor
75 Hp Chrysler Outboard Motor - impremedia.net wiring diagram chrysler outboard motor
1986 Yamaha Outboard Motor - impremedia.net wiring diagram chrysler outboard motor
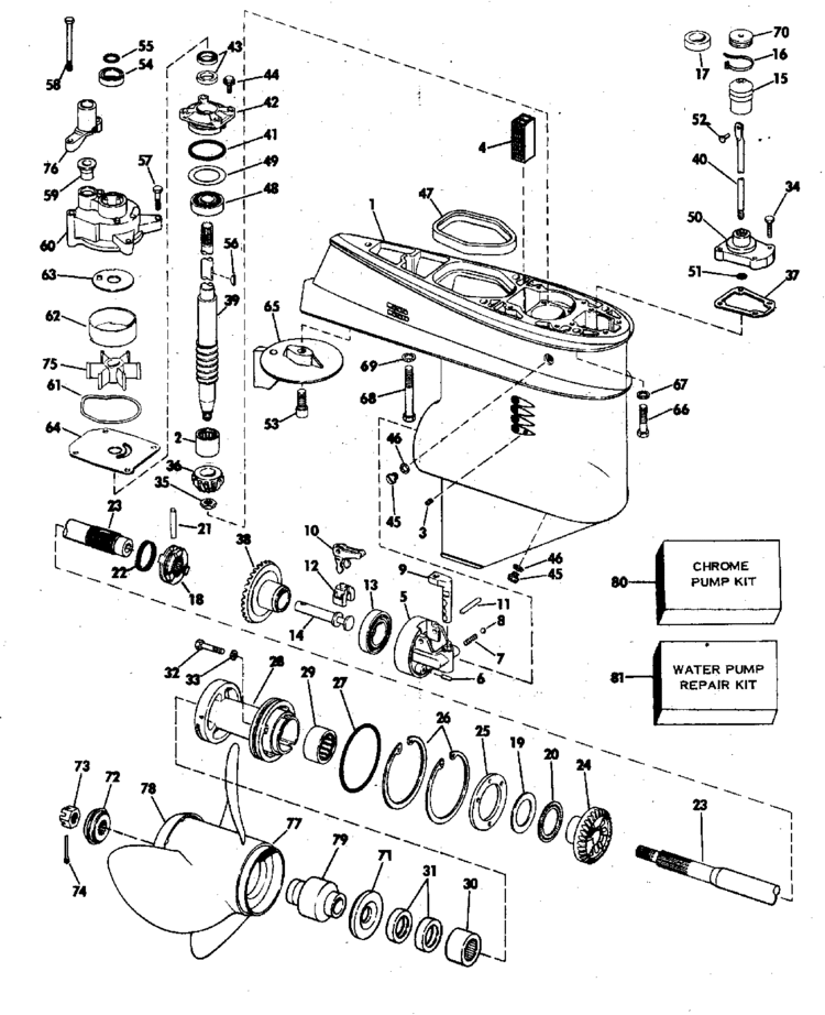
75 Hp Chrysler Outboard Motor - impremedia.net wiring diagram chrysler outboard motor
Johnson 9 9 Outboard Motor Troubleshooting - impremedia.net wiring diagram chrysler outboard motor
75 Hp Chrysler Outboard Motor - impremedia.net wiring diagram chrysler outboard motor
'91 90HP Force outboard - Colored Wiring Diagram Issue ... wiring diagram chrysler outboard motor
Wiring Diagram for Mercury Outboard Motor Sample wiring diagram chrysler outboard motor
75 Hp Chrysler Outboard Motor Manual - impremedia.net wiring diagram chrysler outboard motor
Proseries Wiring Diagrams Outboard Motors & Inboard ... wiring diagram chrysler outboard motor
Chrysler 75hp outboard wiring questions, Please help Page ... wiring diagram chrysler outboard motor
Chrysler 75hp outboard wiring questions, Please help Page ... wiring diagram chrysler outboard motor
75 Hp Chrysler Outboard Motor Manual - impremedia.net wiring diagram chrysler outboard motor
75 Hp Chrysler Outboard Motor Manual - impremedia.net wiring diagram chrysler outboard motor
75 Hp Chrysler Outboard Motor - impremedia.net wiring diagram chrysler outboard motor
75 Hp Chrysler Outboard Motor - impremedia.net wiring diagram chrysler outboard motor
Wiring Diagram for Mercury Outboard Motor Sample wiring diagram chrysler outboard motor

Wiring Diagram Chrysler Outboard Motor


Please create a FREE ACCOUNT to continue reading or download !

Start Your FREE Month!!