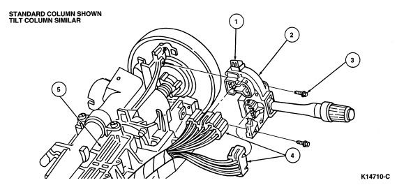
Town Car Turn Signal Switch Diagram

town car turn signal switch diagram
My 2000 Lincoln Town car turn signals stopped working ... town car turn signal switch diagram
Tail Lights and parking lights not working on 1999 lincoln ... town car turn signal switch diagram
Turn signal wiring question | The H.A.M.B. town car turn signal switch diagram
99 Lincoln Continental location? town car turn signal switch diagram
I have a 1998 Lincoln Towncar. The Directional signals and ... town car turn signal switch diagram
1997 Lincoln Town Car: hazard lights not working. Turn ... town car turn signal switch diagram
Flashers and Hazards town car turn signal switch diagram
Flashers and Hazards town car turn signal switch diagram
Turn Signal Wiring Diagram | Jrlovvorn | Flickr town car turn signal switch diagram
12 Volt Turn Signal Switch w/ LED Lights + Flasher Hot Rod ... town car turn signal switch diagram
Right side turn signal indicator along with the (front ... town car turn signal switch diagram
Flasher Location: Where Is the Turn Signal Flasher When It ... town car turn signal switch diagram
Technical - how to wire a guide 6002 turn signal switch ... town car turn signal switch diagram
1998 Lincoln Town Car No Turn Signals: These Things Don't ... town car turn signal switch diagram
Off road lights wiring diagram | Alternate Com | Nissan ... town car turn signal switch diagram
Having trouble with signal stat turn signal switch - Ford ... town car turn signal switch diagram
2000 Lincoln navigator directional wiring diagram town car turn signal switch diagram
For 1995-1997 Lincoln Town Car Turn Signal Switch 58368BP ... town car turn signal switch diagram
1996 lincoln town car everything working but turn signals ... town car turn signal switch diagram
I have a 2000 Navigator. Turn signals work fine but I have ... town car turn signal switch diagram
Speedy Jim's Home Page, Aircooled Electrical Hints town car turn signal switch diagram
Turn Signal Switch For 2003 Lincoln Town Car W/ Wiper and ... town car turn signal switch diagram
1997 Lincoln Town Car: hazard lights not working. Turn ... town car turn signal switch diagram
Guru - July / August 2009 | BuggiesUnlimited.com town car turn signal switch diagram
Turn Signal wiring questions - Ford Truck Enthusiasts Forums town car turn signal switch diagram
Turn Signal Housing Diagram - TriFive.com, 1955 Chevy 1956 ... town car turn signal switch diagram
Harness and Turn signal switch interface - Hot Rod Forum ... town car turn signal switch diagram
Light Switches, Turn Signal Switches and Door Switches town car turn signal switch diagram
Universal Turn Signal Wiring Diagram | Free Wiring Diagram town car turn signal switch diagram
How to: Add Turn Signals and Wire Them Up! (The Basics) town car turn signal switch diagram
Light Switches, Turn Signal Switches and Door Switches town car turn signal switch diagram
99 Lincoln Continental location? town car turn signal switch diagram
Replace Multi-Function Switch | Body and Interior ... town car turn signal switch diagram
Signal Stat 900 Wiring Diagram - Wiring Diagram And ... town car turn signal switch diagram
Other Diagrams town car turn signal switch diagram

Town Car Turn Signal Switch Diagram


Please create a FREE ACCOUNT to continue reading or download !

Start Your FREE Month!!