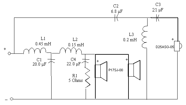
Bose 901 Iv Speaker Wiring Diagram

bose 901 iv speaker wiring diagram
Mikes Manuals BEHRINGER bose 901 iv speaker wiring diagram
…The Ones หนึ่งนี้ “ดัง” ในอดีต… : BOSE 901 - What HI-FI ... bose 901 iv speaker wiring diagram
18 best BOSE NINE ZERO ONES! images on Pinterest | Bose ... bose 901 iv speaker wiring diagram
Bose 901 MK VI - Beschrijving, Testen, The Hans Beekhuyzen ... bose 901 iv speaker wiring diagram
How to connect my bose 901 series 6 speakers to my denon ... bose 901 iv speaker wiring diagram
Bose 901 Speaker Restoration « SOLID-orange bose 901 iv speaker wiring diagram
Bose 901 IV serie - diyAudio bose 901 iv speaker wiring diagram
Bose Super system 4 901's - Bose Community - 84785 bose 901 iv speaker wiring diagram
RO ELECTRONICA: SCHEMA FILTRU PASIV PENTRU BOXE AUDIO bose 901 iv speaker wiring diagram

Bose 901 Iv Speaker Wiring Diagram


Please create a FREE ACCOUNT to continue reading or download !

Start Your FREE Month!!