Tao Tao Wiring Diagram Cdi Box

tao tao wiring diagram cdi box
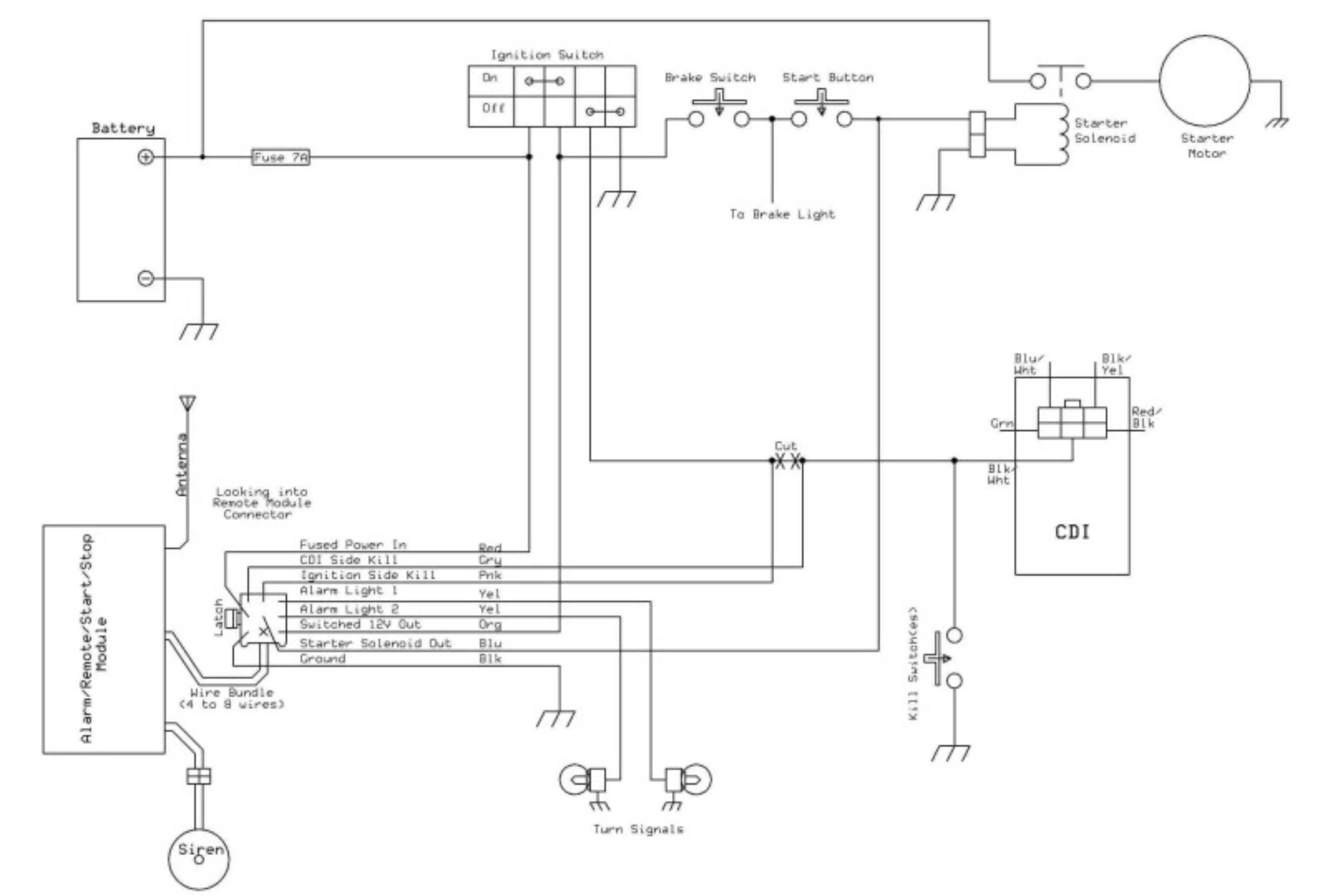
Tao Tao 125cc Go Kart 5 Wire Cdi Wiring Diagram tao tao wiring diagram cdi box
TaoTao Scorter Starting switch work around - YouTube tao tao wiring diagram cdi box
Troubleshooting a no spark China Quad, critical wire ... tao tao wiring diagram cdi box
YAMOTO 110 ATV WIRE DIAGRAM - Auto Electrical Wiring Diagram tao tao wiring diagram cdi box
49cc pocketbike motor selenoid buzzing - YouTube tao tao wiring diagram cdi box
Tao tao thunder 50 headlights | 49ccScoot.com Scooter Forums tao tao wiring diagram cdi box
KYMCO People 250 and S 250 Scooter Online Service Manual ... tao tao wiring diagram cdi box
What's Wrong With My Stupid Chinese Scooter?! - YouTube tao tao wiring diagram cdi box
Gy6 Wiring Diagram 150cc Twister Hammerhead tao tao wiring diagram cdi box
YZ125 Part 31: 2 CDI, Coil and Kill Switch - YouTube tao tao wiring diagram cdi box
Full Wiring Harness Loom 150/200/250/300cc ATV Quad Buggy ... tao tao wiring diagram cdi box
Wiring Diagram For Ariens A19k42 Mower tao tao wiring diagram cdi box
Razor PR200 Pocket Rocket Electric Pocket Bike Parts ... tao tao wiring diagram cdi box
Tomos Wiring Diagrams « Myrons Mopeds tao tao wiring diagram cdi box
How to wire up a push button starter in 22RE? - Pirate4x4 ... tao tao wiring diagram cdi box

Tao Tao Wiring Diagram Cdi Box


Please create a FREE ACCOUNT to continue reading or download !

Start Your FREE Month!!