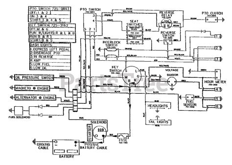
Cub Cadet Electrical Diagram

cub cadet electrical diagram
MTD 14AS845H000 (2002) Parts Diagram for Transmission cub cadet electrical diagram
MTD 17BK2ACP597 (2008), 17BK2ACP597 RZT-50 (2008) Parts ... cub cadet electrical diagram
Cub Cadet LTX1046VT 1) replace a spindle assy this winter ... cub cadet electrical diagram
MTD 13AM662F163 (2003) Parts Diagram for Drive & Transmission cub cadet electrical diagram
MTD 13A326JC058 Mini-Rider (2013) Parts Diagram for Mower Deck cub cadet electrical diagram
MTD 13B326JC758 (2014) Parts Diagram for Engine Accessories cub cadet electrical diagram
MTD Coast To Coast Mdl 131-650F054/481-2251 Parts Diagram ... cub cadet electrical diagram
MTD 145V834H401 (1995) Parts Diagram for Hydrostatic ... cub cadet electrical diagram
MTD 13AL608G731 (2004) Parts Diagram for PTO Manual ... cub cadet electrical diagram
MTD 13AX79TH090 LT-4600H (2008) Parts Diagram for Deck cub cadet electrical diagram
MTD 13B2775S000 (2016) Parts Diagram for Hood & Grille cub cadet electrical diagram
MTD Engine to Deck Cutter Drive Belt Fits RBH1200 Cub ... cub cadet electrical diagram
John Deere X500 Saftey Bypass - YouTube cub cadet electrical diagram
MTD ZT-1850 (2001), 53AA1A5L190 (2001) Parts Diagram for ... cub cadet electrical diagram
How to fix the Kohler Solenoid Problem the Right Way - YouTube cub cadet electrical diagram
How to test lawn mower electrical safety switches - YouTube cub cadet electrical diagram
Universal ATV Winch Solenoid Relay Contactor Installation ... cub cadet electrical diagram
john deere stx 38 drive belt change - YouTube cub cadet electrical diagram
Onan 16 hp carb trouble.mp4 - YouTube cub cadet electrical diagram

Cub Cadet Electrical Diagram


Please create a FREE ACCOUNT to continue reading or download !

Start Your FREE Month!!