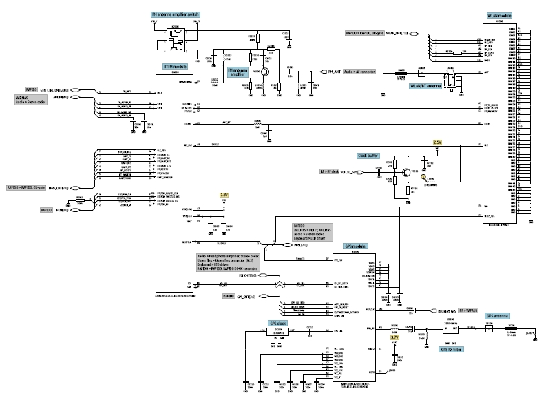
Htc Wildfire S Circuit Diagram

htc wildfire s circuit diagram
8/1/10 - 9/1/10 ~ Free CellPhone Repair Tutorials htc wildfire s circuit diagram
Nokia 2680 Upper LCD Light Problem Solution - dizzysenses htc wildfire s circuit diagram
audio - How do I use an external microphone with my Galaxy ... htc wildfire s circuit diagram

Htc Wildfire S Circuit Diagram


Please create a FREE ACCOUNT to continue reading or download !

Start Your FREE Month!!