Tb6560 6 Wire Diagram

tb6560 6 wire diagram
Journal of Journey: Bikin CNC LASER/PLASMA sendiri (first ... tb6560 6 wire diagram
4 Axis TB6560 CNC Stepper Motor Driver Board Controller ... tb6560 6 wire diagram
How To Get Mach3 controlling Home Built CNC Machine using ... tb6560 6 wire diagram
USB interface (breakout board) datasheet and wiring ... tb6560 6 wire diagram
Motor de passo de 4, 5, 6 e 8 fios - Fernando K Tecnologia tb6560 6 wire diagram
DRV8834 Low Voltage Stepper Motor Driver Carrier | 2134 ... tb6560 6 wire diagram
DRV8834 Low-Voltage Stepper Motor Driver Carrier tb6560 6 wire diagram
Controlando un Motor paso a paso con un Arduino / Paso 6 ... tb6560 6 wire diagram
xyzcnc.com.mx - Controladoras CNC tb6560 6 wire diagram
G2 | Synthetos.com tb6560 6 wire diagram
5 Axis CNC Breakout Board 12 24V cnc board interface usb ... tb6560 6 wire diagram
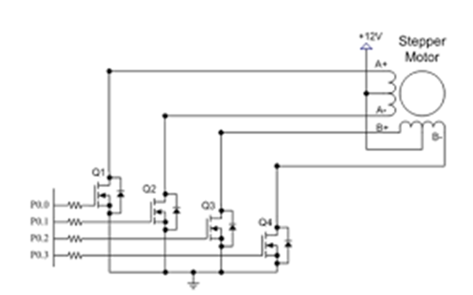
Easy to build CNC Mill Stepper Motor and Driver circuits tb6560 6 wire diagram
Control Stepper Forward and Reverse with Proximity limit ... tb6560 6 wire diagram
M35SP-7T stepper motor tb6560 6 wire diagram
PIR SENSOR WITH ARDUINO ACTIVATE STEPPER MOTOR: 5 Steps tb6560 6 wire diagram
10 Best (3D Printed) Robot Arms to DIY or Buy | All3DP tb6560 6 wire diagram
Controlling Speed Of Dc Motors Using Arduinohardware Fun ... tb6560 6 wire diagram
Arduino Motor Shield Tutorial: 6 Steps (with Pictures) tb6560 6 wire diagram
Arduino - Shield Motor de Passo L298n - TuxTI tb6560 6 wire diagram

Tb6560 6 Wire Diagram


Please create a FREE ACCOUNT to continue reading or download !

Start Your FREE Month!!