Honda Monkey Z50j Wiring Diagram

honda monkey z50j wiring diagram
Bild - Schaltplan-Monkey.gif | Honda Dax Wiki | FANDOM ... honda monkey z50j wiring diagram
Where can I find a wiring harness for a 1982 Honda CT70 ... honda monkey z50j wiring diagram
Wiring Diagram Honda ATC350X 1985 1986 [61555] - Circuit ... honda monkey z50j wiring diagram
HONDA MONKEY Z50 Z50J HEADLIGHT LIGHT W/ SPEEDOMETER FRONT ... honda monkey z50j wiring diagram
1975 z50 stator light coil output test... | PlanetMinis Forums honda monkey z50j wiring diagram
monkeyn AITO 3v puol.autom. kone!72cc plaza honda monkey z50j wiring diagram
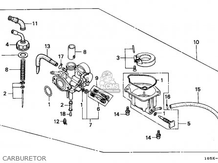
Honda Z50J MONKEY 1985 (F) GERMANY parts lists and schematics honda monkey z50j wiring diagram
Honda Z50j Monkey 1996 (t) Finland parts list partsmanual ... honda monkey z50j wiring diagram
Honda Z50j1 Monkey France parts list partsmanual partsfiche honda monkey z50j wiring diagram
Honda Z50j1 Monkey France parts list partsmanual partsfiche honda monkey z50j wiring diagram
Monkeybiker Sweden - Support & Downloads honda monkey z50j wiring diagram
| Repair Guides | Wiring Diagrams | Wiring Diagrams ... honda monkey z50j wiring diagram

Honda Monkey Z50j Wiring Diagram


Please create a FREE ACCOUNT to continue reading or download !

Start Your FREE Month!!