Rgb Led 110v Wiring Diagram

rgb led 110v wiring diagram
Arduino DMX mit SN75176BP rgb led 110v wiring diagram
Power RGB LED Controller rgb led 110v wiring diagram
230 V 50Hz AC (or 110V 60Hz) Main Operated LED Powerful ... rgb led 110v wiring diagram
LED String / Strip Circuit Diagram Using PCR-406 | Electrical rgb led 110v wiring diagram
LED Troubleshooting - Wire and Wiring Issues rgb led 110v wiring diagram
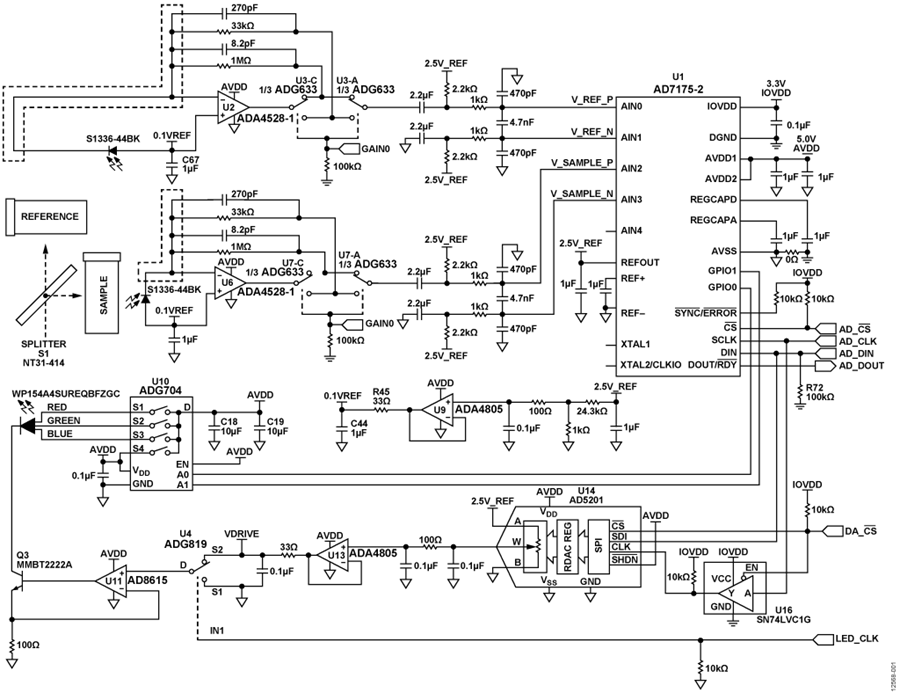
CN0363 参考电路 | 亚德诺半导体 rgb led 110v wiring diagram
AC110-220V Max 1000W, LED RGB Wireless RF Infrared 20keys ... rgb led 110v wiring diagram
LED Troubleshooting - Wire and Wiring Issues rgb led 110v wiring diagram
sitemap rgb led 110v wiring diagram
How to use : Wireless Remote Control Switch AC 250V 110V ... rgb led 110v wiring diagram
How to build Ultra Bright LED Lamp - circuit diagram rgb led 110v wiring diagram
Night Security Light with Arduino | Random Nerd Tutorials rgb led 110v wiring diagram
Green Black White Wiring Plug For 22 5v | Wiring Library rgb led 110v wiring diagram
Homemade VGA Adapter rgb led 110v wiring diagram
Using an NTC Thermistor as a Surge Suppressor | Homemade ... rgb led 110v wiring diagram
Using an NTC Thermistor as a Surge Suppressor - Datasheet ... rgb led 110v wiring diagram
switching circuit Page 8 : Other Circuits :: Next.gr rgb led 110v wiring diagram
PROJECT THEORY: WIRELESS SWITCH (Based on IR, One click to ... rgb led 110v wiring diagram

Rgb Led 110v Wiring Diagram


Please create a FREE ACCOUNT to continue reading or download !

Start Your FREE Month!!